| 350930 Whirlpool White Spray Paint |
| Dryer |
| Instructions, Installation |
| Almond (Uncut) |
| Label, Wiring Diagram |
| WP72107 Whirlpool Touchup |
| 799344 Whirlpool Refrigerator Paint |
| Guide, Use & Care |
| 72017 Whirlpool Appliance Touch-Up Paint White |
| 350956 Whirlpool Spray Assembly |
| 350938 Whirlpool Spray Gun |
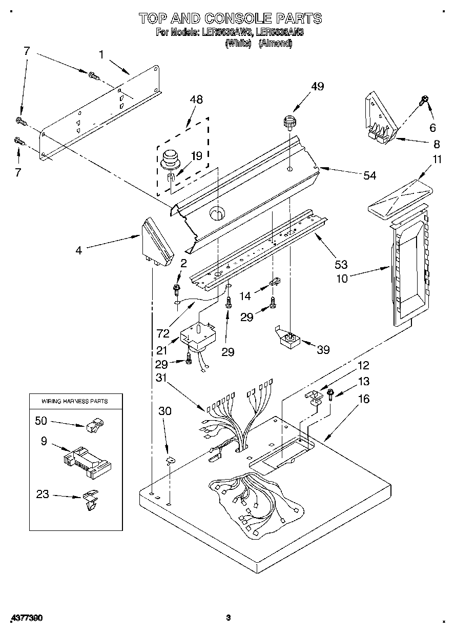
| 1 | Panel, Rear Console |
| 2 | WP488729 Whirlpool Refrigerator Door Screw |
| 3 | WP489069 Whirlpool Compactor Screw |
| 4 | Cap, End (L.H.) (White) |
| 4 | Cap, End (L.H.) (Almond) |
| 6 | WP388326 Whirlpool Screw |
| 7 | WP693995 Whirlpool Screw |
| 8 | Cap, End (R.H.) (White) |
| 8 | Cap, End (R.H.) (Almond) |
| 9 | 3395683 Whirlpool Connector |
| 10 | WP349639 Whirlpool Lint Filter |
| 11 | Cover, Lint Screen (White) |
| 11 | Cover, Lint Screen (Almond) |
| 12 | WPW10044480 Whirlpool Hinge Assembly |
| 12 | WPW10044470 Whirlpool Hinge Assembly |
| 13 | W11693756 Whirlpool Screw Assembly |
| 14 | 279872 Whirlpool Resistor |
| 16 | Top (Almond) |
| 16 | Top (White) |
| 19 | WP688805 Whirlpool Spring Clip |
| 21 | WP3976569 Whirlpool Timer |
| 23 | WP3394427 Whirlpool Clip |
| 29 | WPW10139210 Whirlpool Screw |
| 30 | WP357213 Whirlpool Hinge Stopper |
| 31 | Harness, Wiring |
| 39 | WP3395382 Whirlpool Push To Start Switch |
| 48 | WP3957752 Whirlpool Knob |
| 49 | Knob, Push To Start |
| 50 | Clip, Retainer |
| 53 | Bracket, Control |
| 54 | Panel, Control (White) |
| 54 | Panel, Control (Almond) |
| 72 | Wire, Ground |