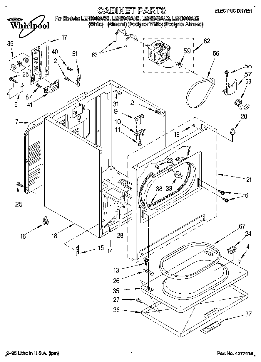
LER6848AQ2 01 – SECTION

LER6848AQ2 01 – SECTION