LER6848AZ2 02 – SECTION

LER6848AZ2 02 – SECTION

Products

PositionProduct
350930 Whirlpool White Spray Paint
Dryer
Instructions, Installation
Almond (Uncut)
WP72107 Whirlpool Touchup
799344 Whirlpool Refrigerator Paint
72017 Whirlpool Appliance Touch-Up Paint White
350956 Whirlpool Spray Assembly
Guide, Use & Care
350938 Whirlpool Spray Gun
WPL LIT3401725
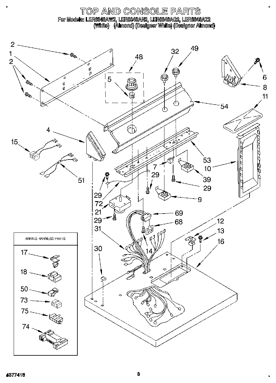
1Panel, Rear Console
2WP693995 Whirlpool Screw
4Cap, End (L.H.) (White)
4Cap, End (L.H.) (Almond)
5WP688805 Whirlpool Spring Clip
6WP388326 Whirlpool Screw
7WP694419 Whirlpool Buzzer Adjuster
8Cap, End (R.H.) (White)
8Cap, End (R.H.) (Almond)
9WP3399639 Whirlpool Switch
10WP349639 Whirlpool Lint Filter
11Cover, Lint Screen (Almond)
11Cover, Lint Screen (White)
12WPW10044470 Whirlpool Hinge Assembly
12WPW10044480 Whirlpool Hinge Assembly
13W11693756 Whirlpool Screw Assembly
14SCREW
158539893 Whirlpool Wire Harness
16Top (Almond)
16Top (White)
17WP3394427 Whirlpool Clip
183401144 Whirlpool Connector
21WP3397273 Whirlpool Timer
29WPW10139210 Whirlpool Screw
30WP357213 Whirlpool Hinge Stopper
31Harness, Electric
32KNOB
32WP3957796 Whirlpool Knob
323957797 Whirlpool Knob
39WP3398094 Whirlpool Push To Start Switch
48WP3957752 Whirlpool Knob
483957753 Whirlpool Knob
49Knob, Push To Start
49WP3957800 Whirlpool Knob
50Clip, Retainer
51Wire Jumper Assembly
53Bracket, Control
54Panel, Control FOR MODEL (LGR6848AQ2)
54Panel, Control (Almond)
54Panel, Control (White)
54Panel, Control FOR MODEL (LGR6
68WPW10476828-includeCORE Whirlpool WPW10476828 Refrigerator Electronic Control Board + Core
693391885 Whirlpool Connector
72Wire, Ground
73Block, Disconnect
743395683 Whirlpool Connector
75Connector, Timer