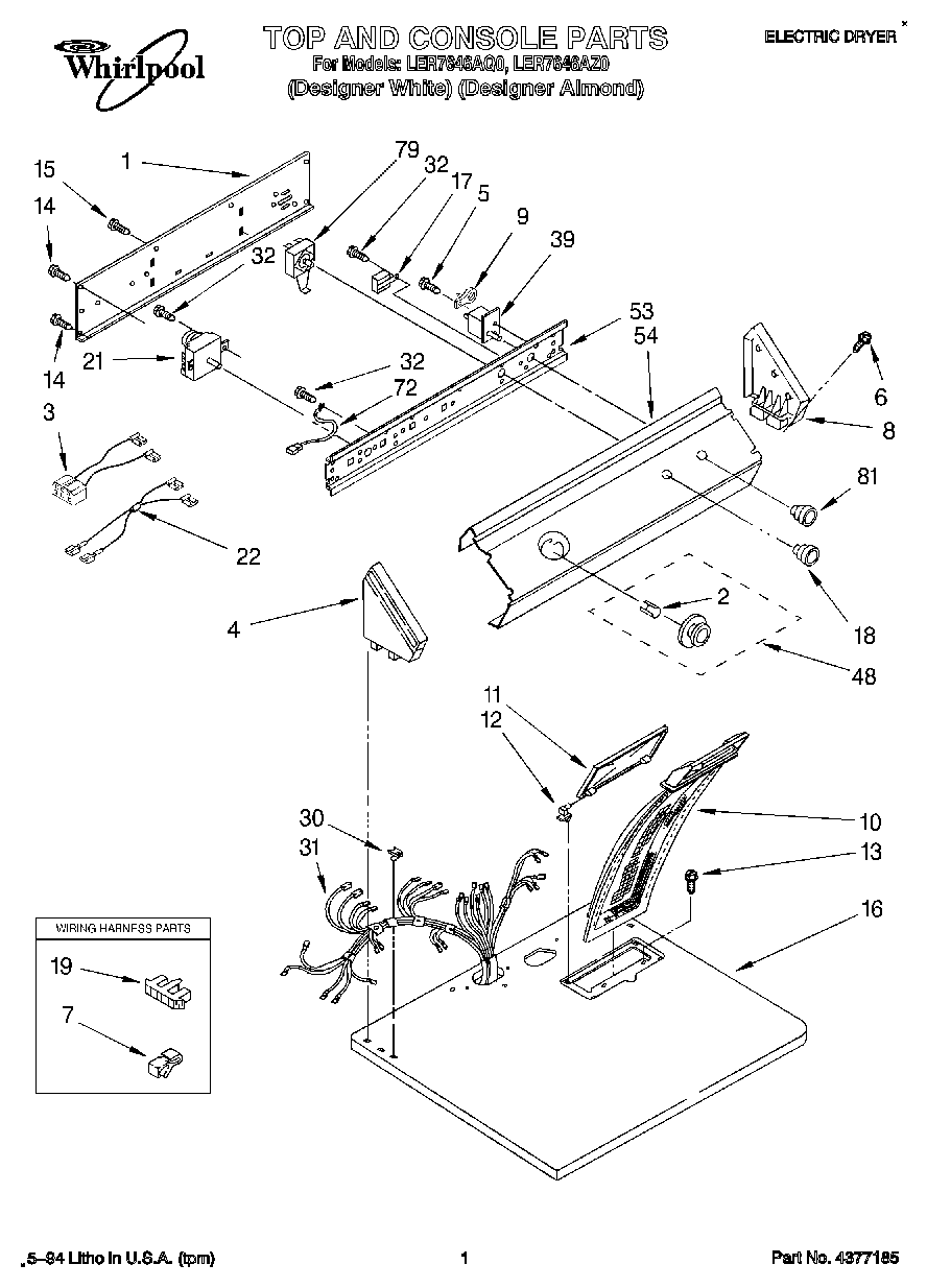
LER7646AZ0 01 – SECTION