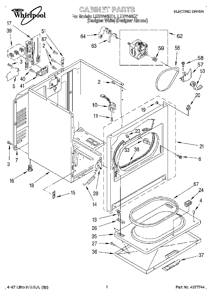
LER7646EQ1 01 – SECTION

LER7646EQ1 01 – SECTION