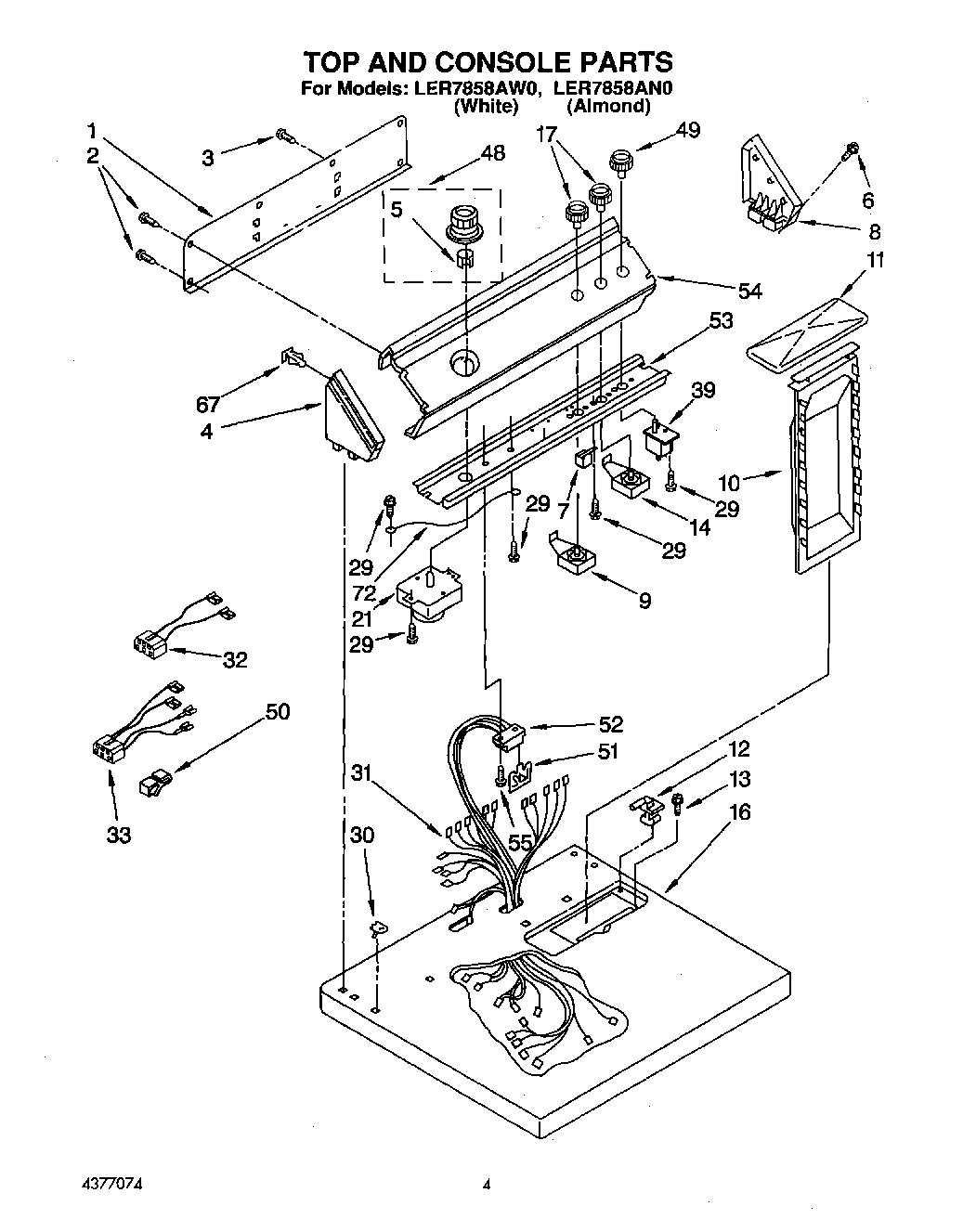
LER7858AN0 02 – SECTION