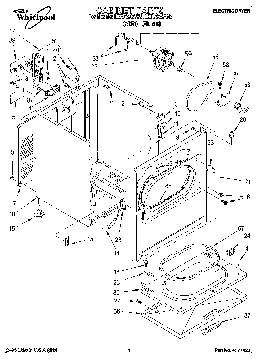
LER7858AN2 01 – SECTION

LER7858AN2 01 – SECTION