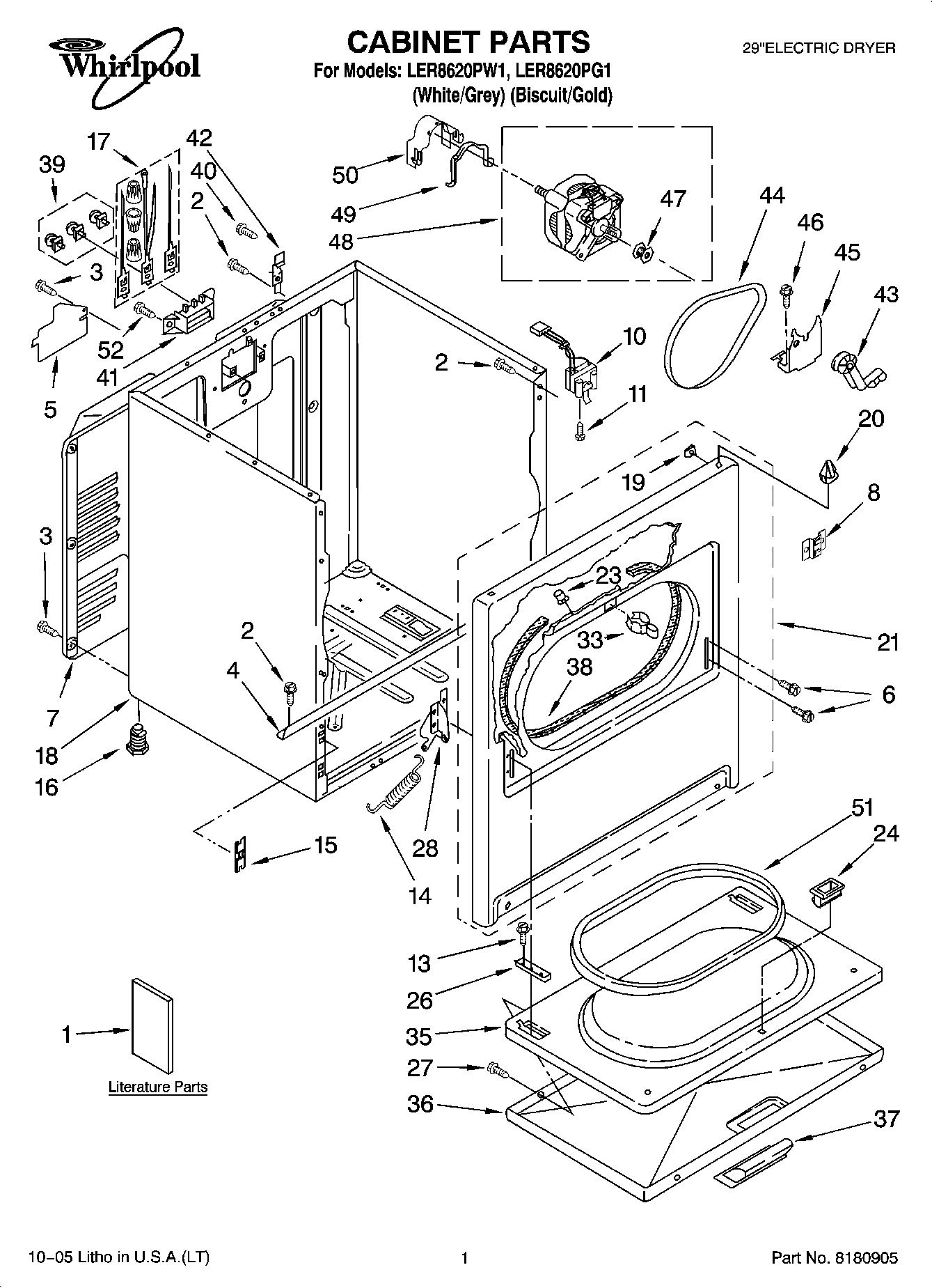
LER8620PG1 01 – CABINET PARTSadmin2025-04-26T11:20:05+00:00LER8620PG1 01 – CABINET PARTS ProductsPositionProduct1WPL 6778181Following May Be Purchased DO-IT-YOURSELF REPAIR MANUALS1Wiring Diagram1Sheet, Cycle Feature1Use & Care Guide1Installation Instructions2SCREW3WP693995 Whirlpool Screw4Bracket, Cabinet5W11539855 Whirlpool Refrigerator Pump6Screw, 10-32 x 1/27280043 Whirlpool Rear Panel88546676 Whirlpool Clip10WP3406107 Whirlpool Dryer Door Switch11WP3395530 Whirlpool Screw13WP308685 Whirlpool Microwave Screw148541401 Whirlpool Door Spring15W10854425 Whirlpool Dryer Front Panel Bottom Mounting Clip1649621 Whirlpool Leveling Feet17279318 Whirlpool Terminal188533643 Whirlpool Dryer White Cabinet18Cabinet (Biscuit)19WP98234 Whirlpool Nut20WP18776 Whirlpool Lock21279443 Whirlpool Primary Panel21279891 Whirlpool Panel23279220 Whirlpool Clip24WP3389441 Whirlpool Door Catch26W11252547 Whirlpool Clip Assembly27WP694091 Whirlpool Screw28WP8066057 Whirlpool Door Hinge28WP8066056 Whirlpool Door Hinge33279570 Whirlpool Dryer Door Latch Kit35WP695737 Whirlpool Door36Door, Front (Biscuit)36WP3393549 Whirlpool Door Assembly37WP348721 Whirlpool Handle373977242 Whirlpool Handle38W11035878 Whirlpool Bearing and Seal39279393 Whirlpool Terminal Block Screw and Nut Kit40W10850756 Whirlpool Screw41WP3397659 Whirlpool Terminal Block42WP8066217 Whirlpool Hinge43WP691366 Whirlpool Dryer Idler Pulley Assembly44341241 Whirlpool Dryer Drum Belt45WP348780 Whirlpool Base463400500 Whirlpool Screw47WP8066184 Whirlpool Dryer Motor Pulley48279827 Whirlpool Dryer Drive Motor49WP660658 Whirlpool Clamp50WP3404162 Whirlpool Clamp51W10906683 Whirlpool Door Seal