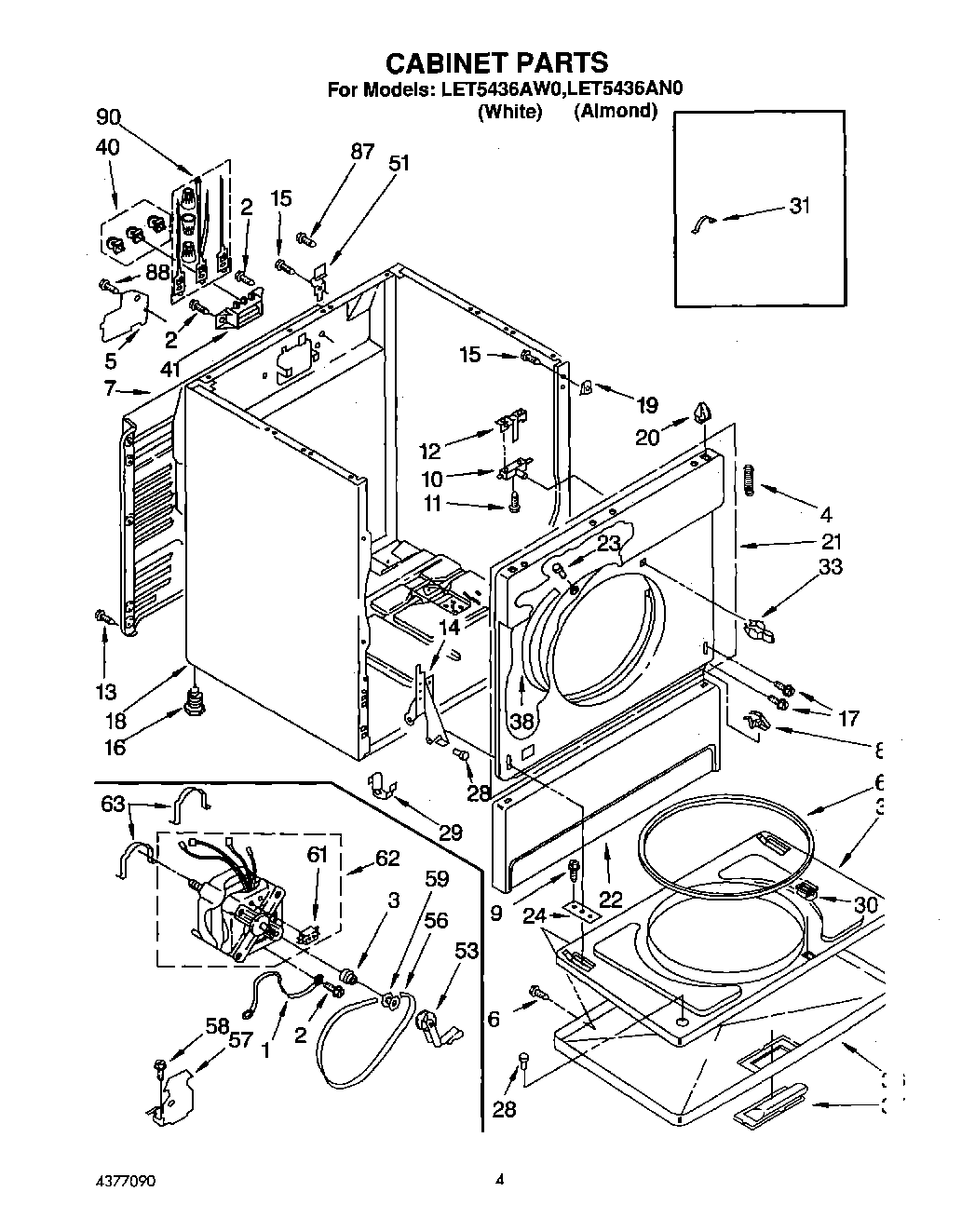
| 1 | Wire, Ground (Motor) |
| 3 | WP3393657 Whirlpool Belt Retainer |
| 4 | Spring, Door (2) |
| 5 | W11736322 Whirlpool Cover Assembly |
| 6 | WP694091 Whirlpool Screw |
| 7 | Panel, Rear |
| 8 | WP3388229 Whirlpool Dryer Spring Clip |
| 9 | WP308685 Whirlpool Microwave Screw |
| 10 | W10820036 Whirlpool Door Switch Kit |
| 11 | WP98129 Whirlpool Screw |
| 12 | WP691581 Whirlpool Actuator |
| 13 | WP489069 Whirlpool Compactor Screw |
| 14 | Hinge, L.H. |
| 14 | Hinge, R.H. |
| 15 | SCREW |
| 16 | 49621 Whirlpool Leveling Feet |
| 17 | Screw, 10-32 x 1/2 |
| 18 | Cabinet (Almond) |
| 18 | Cabinet (White) |
| 19 | WP98234 Whirlpool Nut |
| 20 | WP18776 Whirlpool Lock |
| 21 | Front Panel Assembly (White) |
| 21 | Front Panel Assembly (Almond) |
| 22 | Panel, Toe (White) |
| 22 | Panel, Toe (Almond) |
| 23 | 279220 Whirlpool Clip |
| 24 | W11252547 Whirlpool Clip Assembly |
| 28 | 238614 Whirlpool Bumper Hinge |
| 29 | WP297092 Whirlpool Clip |
| 30 | 279570 Whirlpool Dryer Door Latch Kit |
| 31 | 8528351 Whirlpool Clip |
| 35 | Door, Rear |
| 36 | Door, Front (Almond) |
| 36 | Door, Front (White) |
| 37 | Handle, Door (Almond) |
| 37 | WP348721 Whirlpool Handle |
| 38 | 279264 Whirlpool Bearing and Seal Kit |
| 40 | 279393 Whirlpool Terminal Block Screw and Nut Kit |
| 41 | 279320 Whirlpool Dryer Rear Terminal Block Kit |
| 51 | WP8066217 Whirlpool Hinge |
| 53 | WP691366 Whirlpool Dryer Idler Pulley Assembly |
| 56 | 341241 Whirlpool Dryer Drum Belt |
| 57 | WP348780 Whirlpool Base |
| 58 | 3400500 Whirlpool Screw |
| 59 | WP8066184 Whirlpool Dryer Motor Pulley |
| 61 | 279827 Whirlpool Dryer Drive Motor |
| 63 | WP660658 Whirlpool Clamp |
| 67 | WP3390733 Whirlpool Door Seal Assembly |
| 87 | W10850756 Whirlpool Screw |
| 88 | WP693995 Whirlpool Screw |
| 90 | 279318 Whirlpool Terminal |