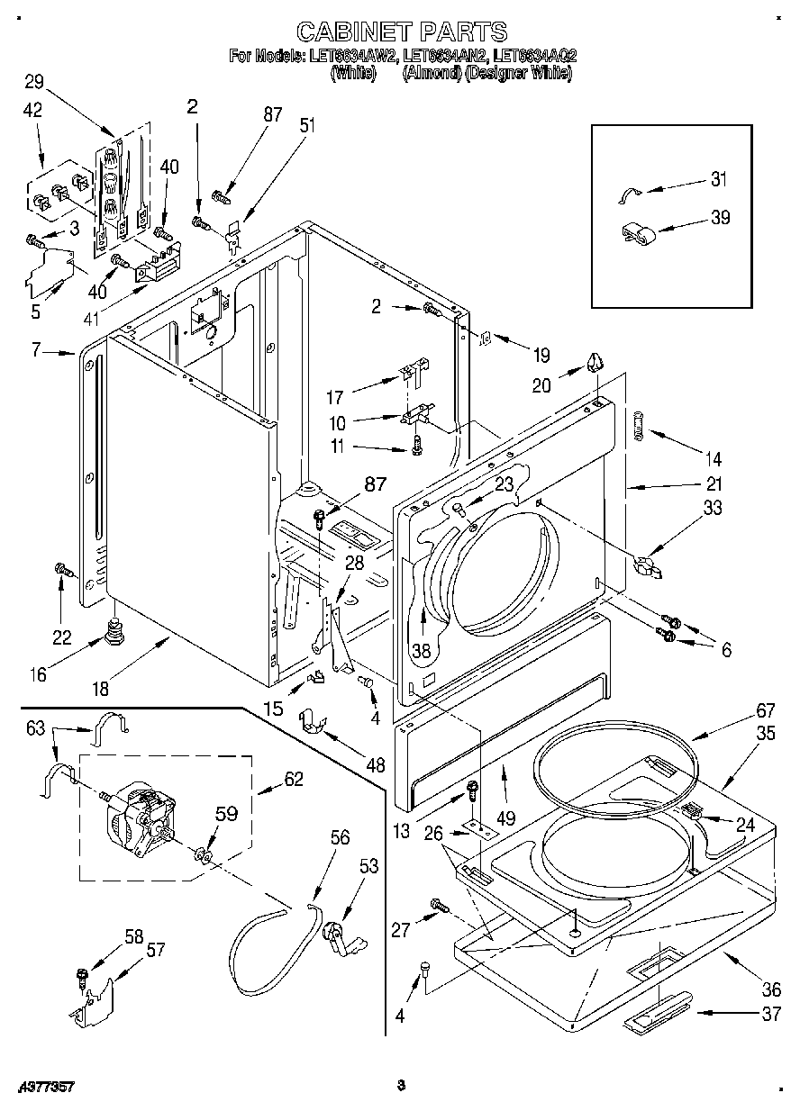
LET6634AQ2 02 – SECTION

LET6634AQ2 02 – SECTION