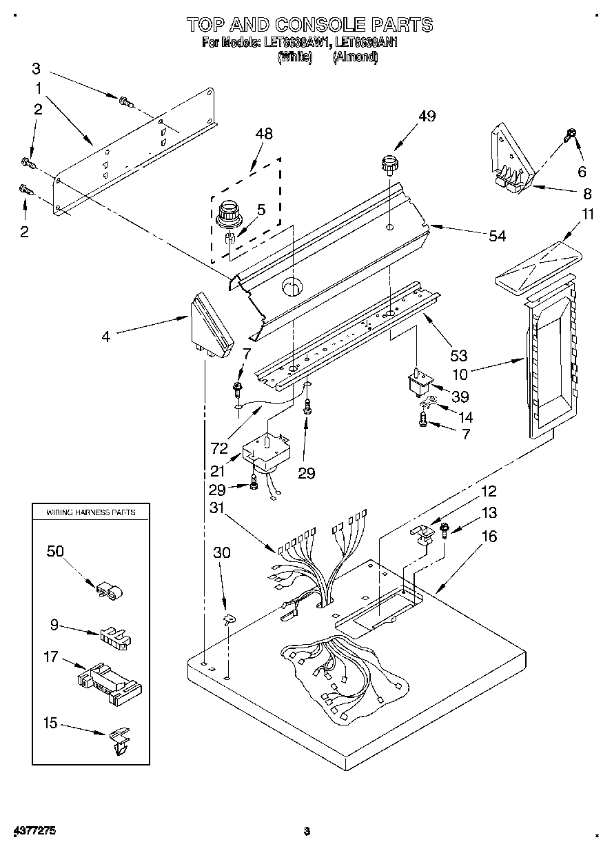
LET6638AW1 02 – SECTION