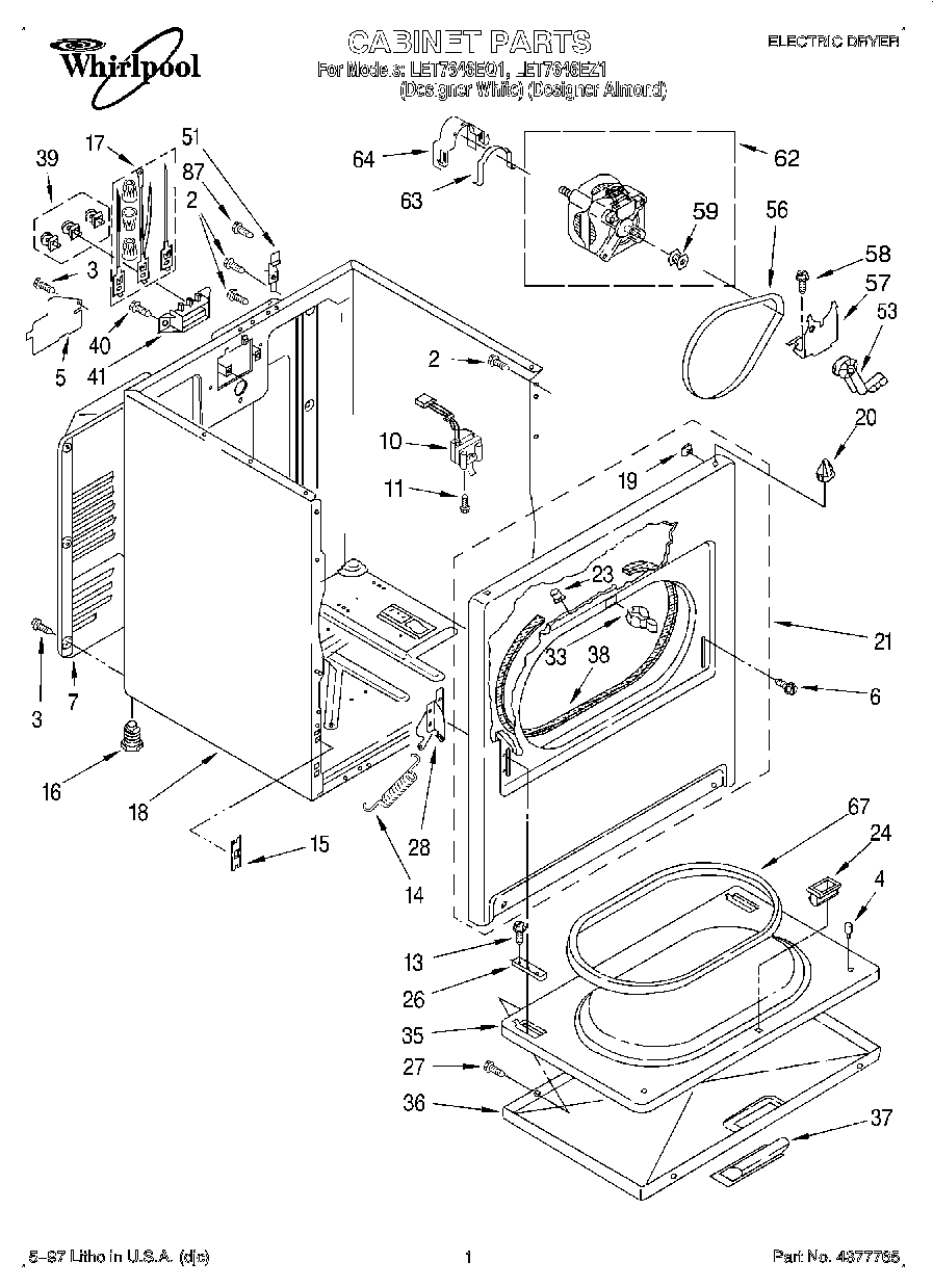
LET7646EZ1 01 – SECTION

LET7646EZ1 01 – SECTION