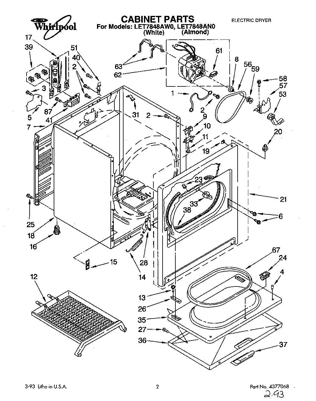
LET7848AW0 01 – SECTION

LET7848AW0 01 – SECTION