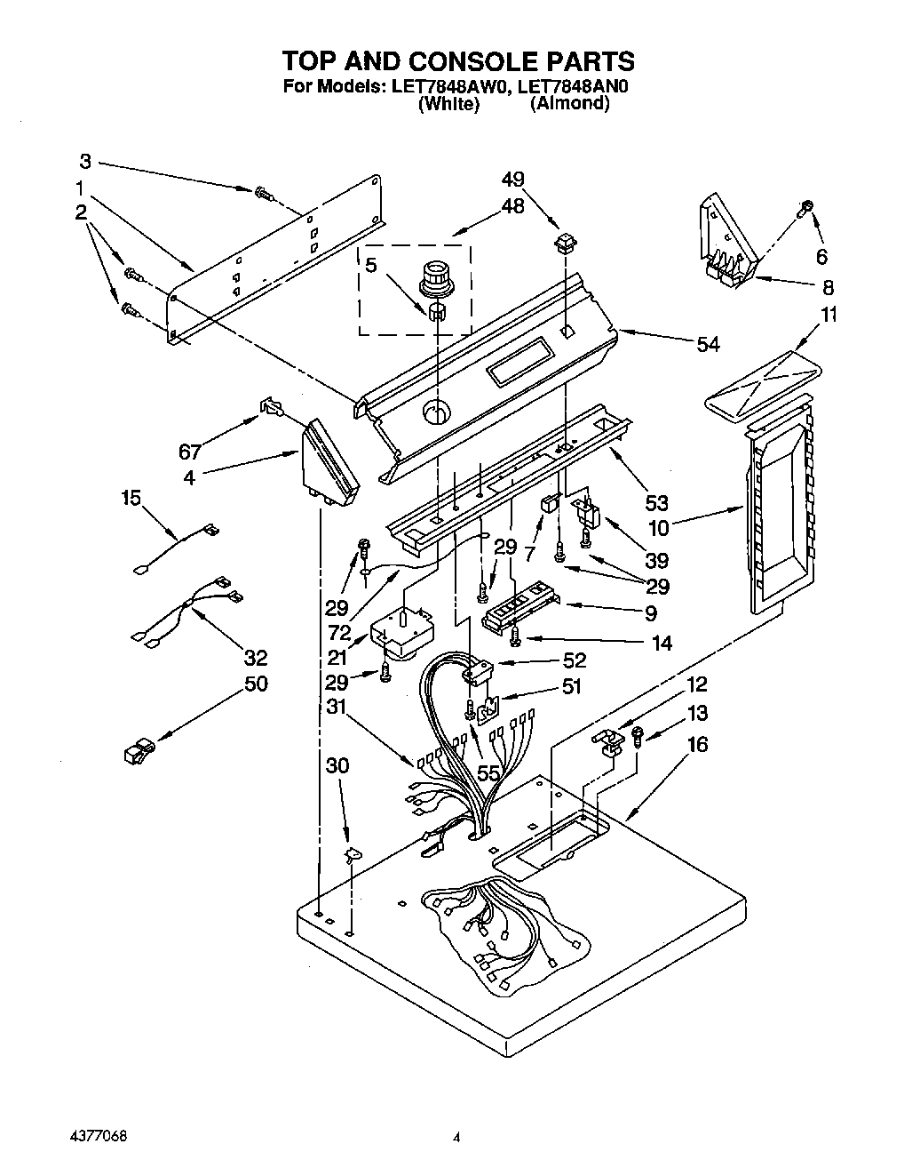
LET7848AW0 02 – SECTION