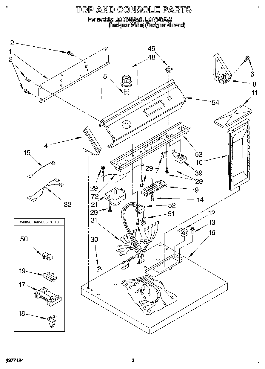
LET7848AZ2 02 – SECTION