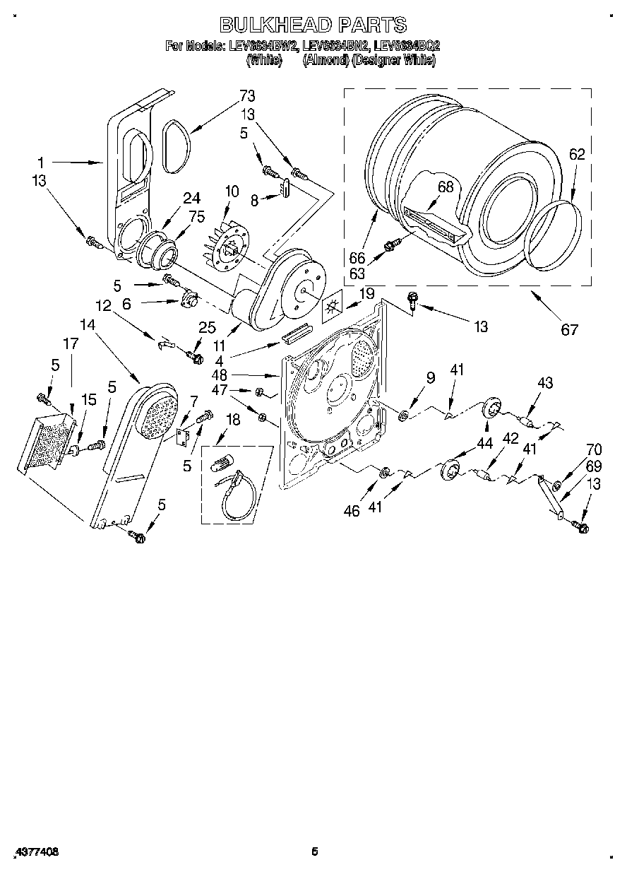
LEV6634BN2 03 – SECTION