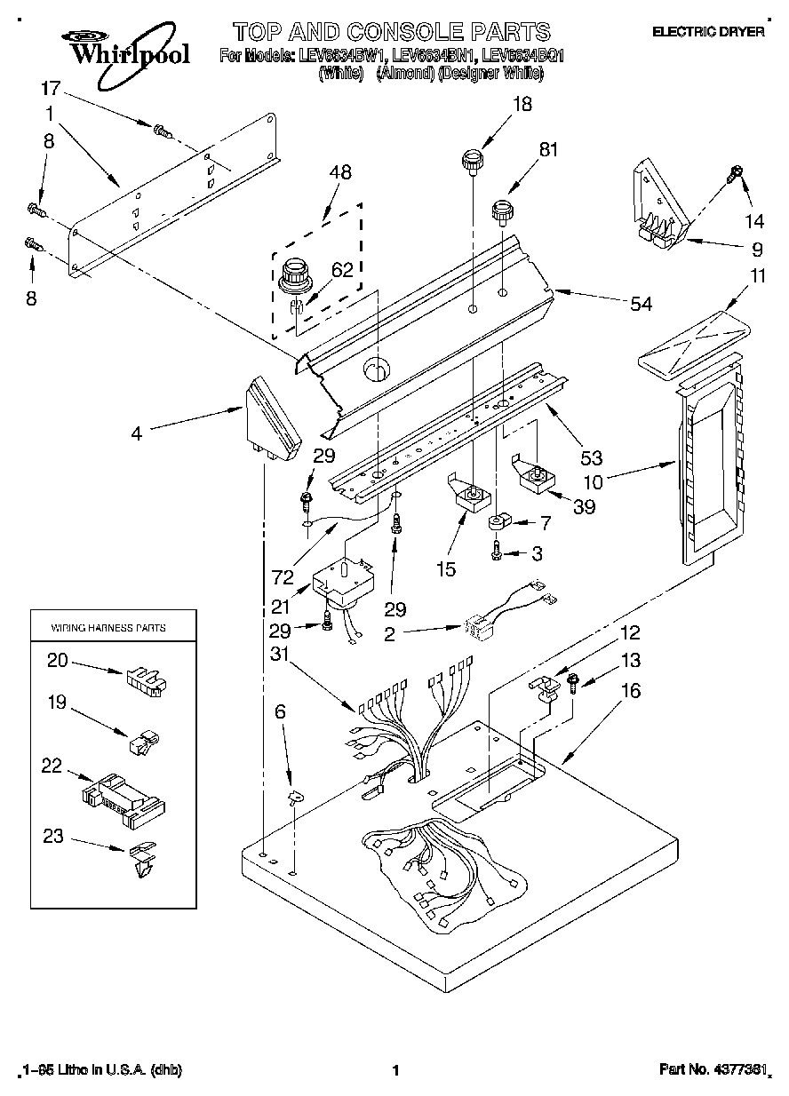
LEV6634BQ1 01 – SECTION