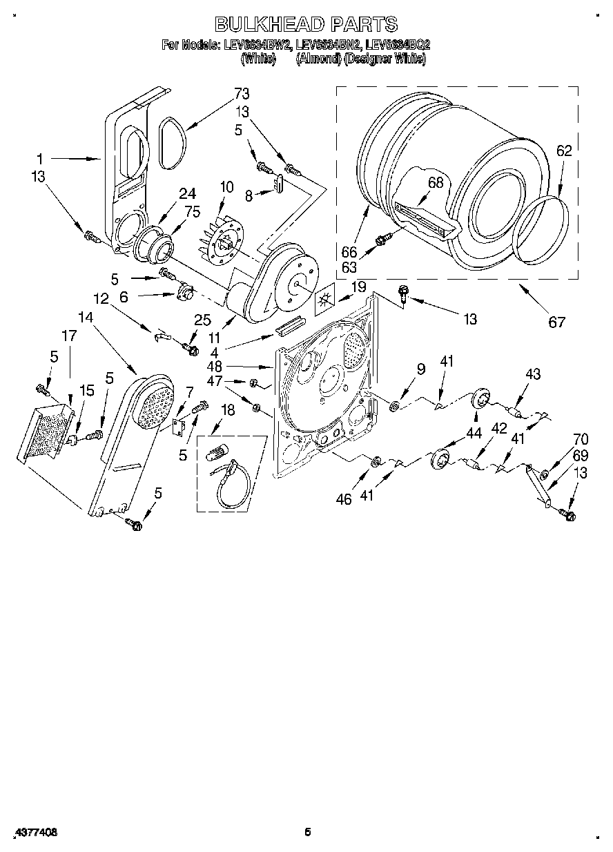
LEV6634BW2 03 – SECTION