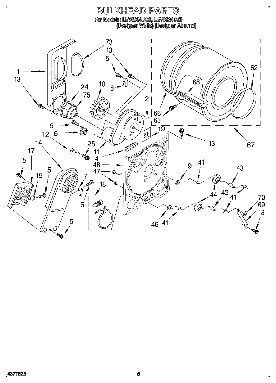
LEV6634DZ0 03 – SECTION