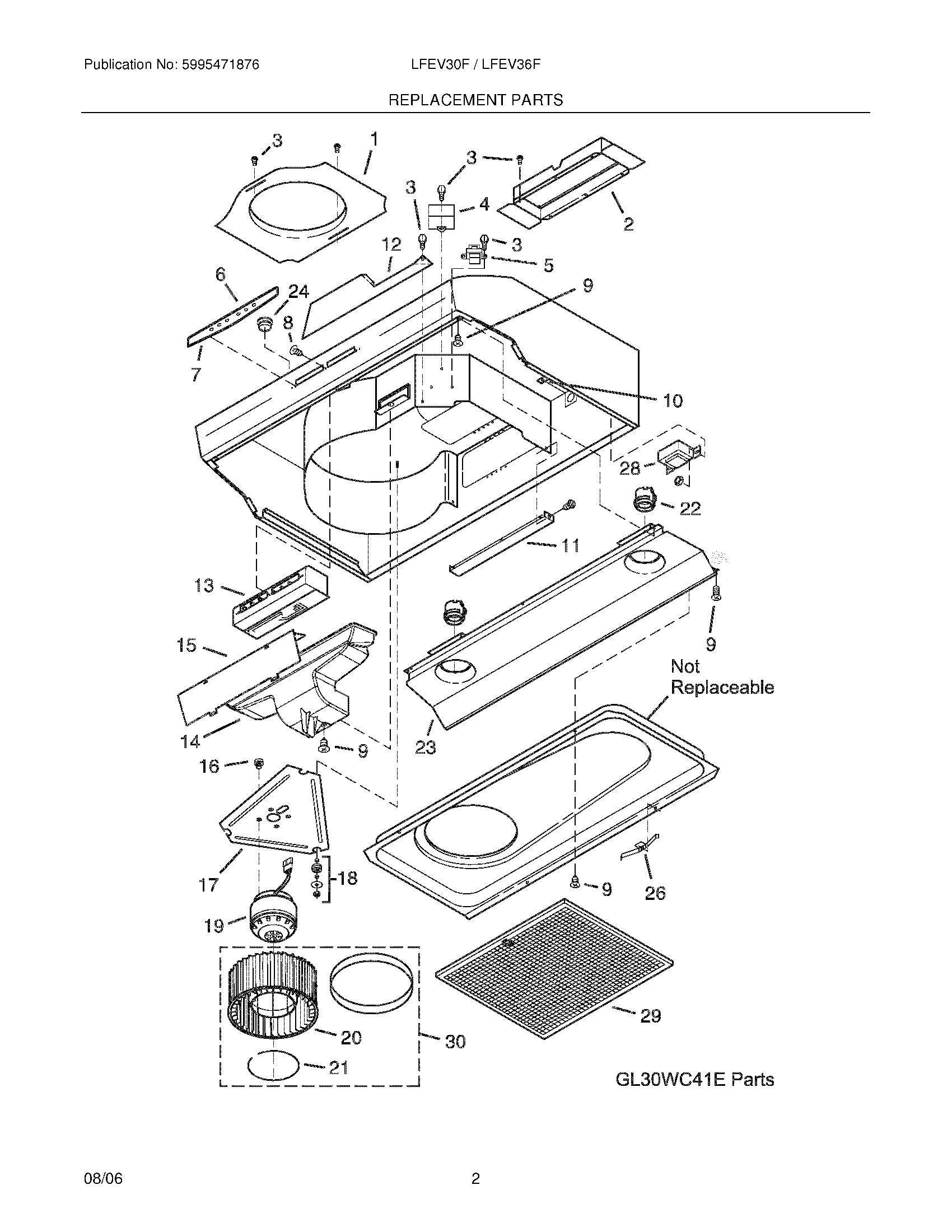
LFEV30FE 03 – REPLACEMENT PARTSadmin2025-04-26T11:49:05+00:00LFEV30FE 03 – REPLACEMENT PARTS ProductsPositionProductNIWCI 5304454211NIWCI 5304454212NIWCI 53044574411WCI 53044524012WCI 53044541753WCI 53044541764WCI 53044541775WCI 53044541786WCI 53044574377WCI 53044574388WCI 53044541839WCI 530445418410WCI 530445418511WCI 530445418612WCI 530445418713WCI 530445744214WCI 530445419015WCI 530445419116WCI 530445419217WCI 530445419318WCI 530445419419WCI 530445419520WCI 530445419621WCI 530445419722WCI 530445419823WCI 530445743924WCI 530445420526WCI 530445420628WCI 530445420729WCI 530445420830WCI 5304454210