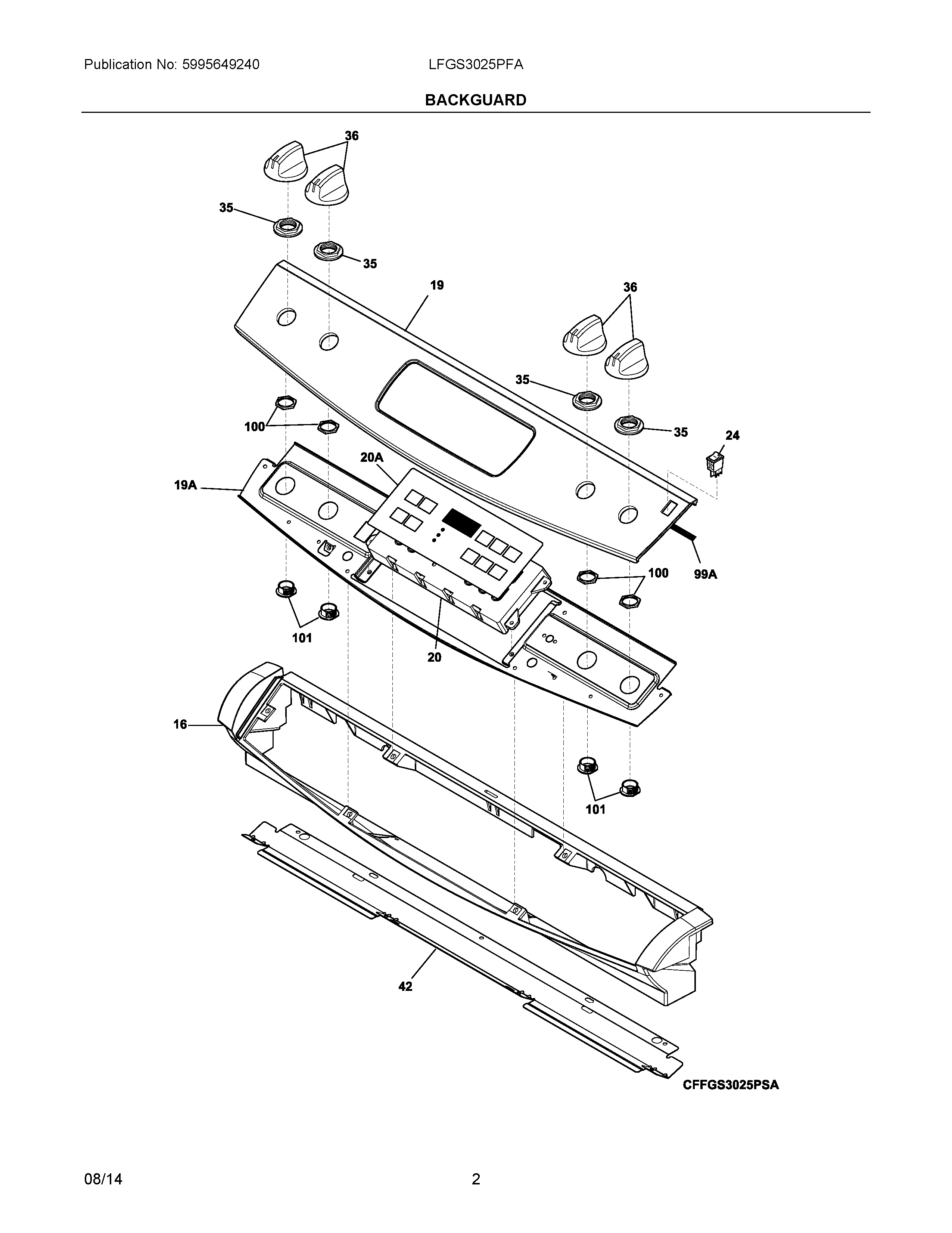
LFGS3025PFA 02 – BACKGUARDadmin2025-04-26T11:51:29+00:00LFGS3025PFA 02 – BACKGUARD ProductsPositionProductNI316021105 Frigidaire Oven ScrewNI316021109 Frigidaire Oven Screw16WCI 31829910219139038864 Frigidaire Control Panel19AWCI 31822440220WCI 31655714120A316419141 Frigidaire Oven Overlay245304527841 Frigidaire Oven Rocker Switch (Black)35WCI 31823372036WCI 31654381242WCI 31857470199A318223900 Frigidaire Oven Gasket100WCI 318233800101WCI 318233400