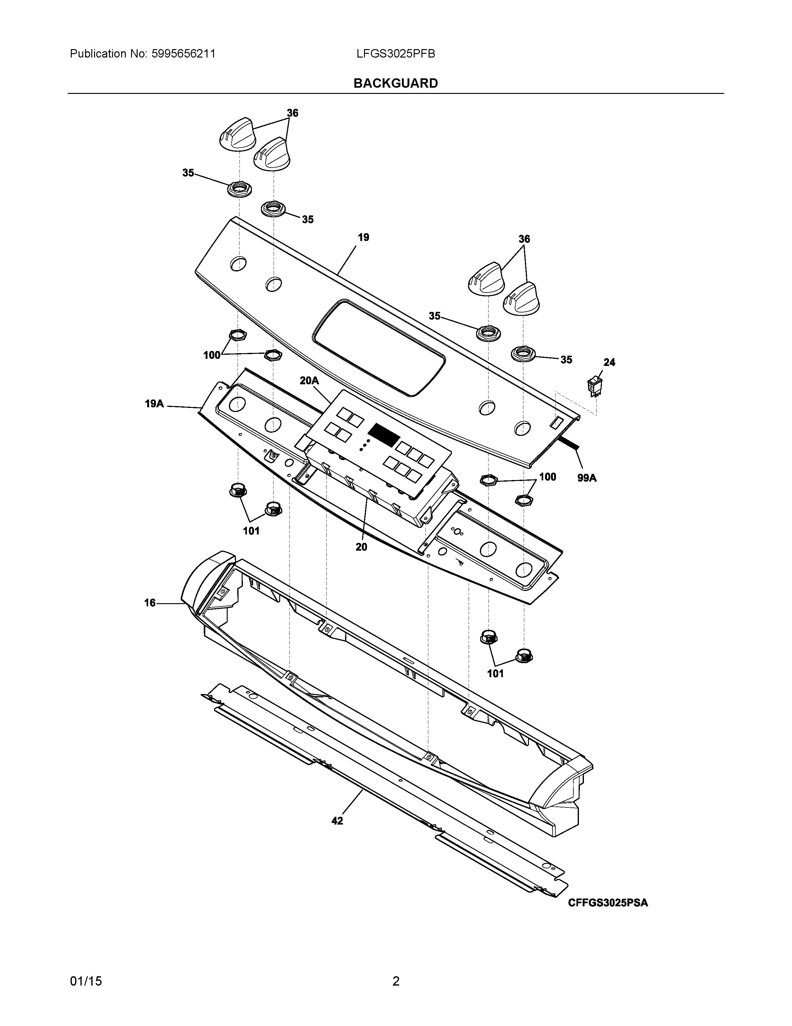
LFGS3025PFB 02 – BACKGUARD