LFID2422RF3B 05 – MOTOR & PUMP

LFID2422RF3B 05 – MOTOR & PUMP

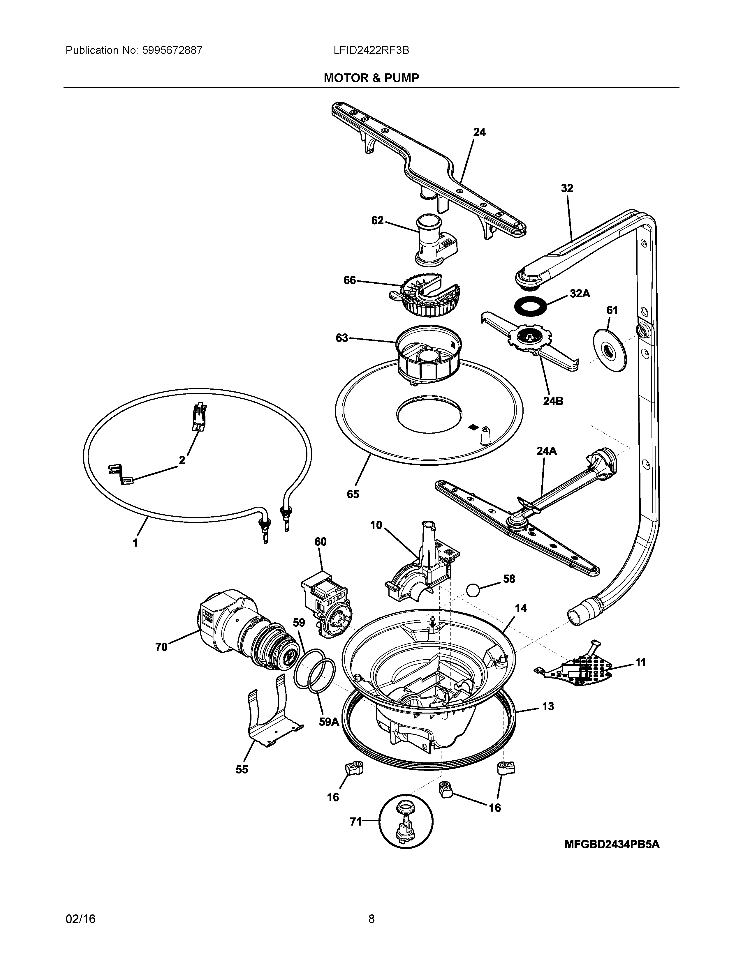
Products

PositionProduct
NI154783101 Frigidaire Dishwasher Screw
NIA154106202 Frigidaire Dishwasher Heater Nut
NIB154289801 Frigidaire Dishwasher Shield
NIB154491101 Frigidaire Dishwasher Screw
NIA154611101 Frigidaire Dishwasher Clamp
NIA154741501 Frigidaire Dishwasher Screw
NIA154754901 Frigidaire Dishwasher Screw
NIA154779601 Frigidaire Dishwasher Screw
NIB807048001 Frigidaire Dishwasher Check Valve
1154825001 Frigidaire Dishwasher Round Heater Heating Element
2154465101 Frigidaire Dishwasher Heating Element Support Bracket
10807145201 Frigidaire Dishwasher Cover-Volute
11807111601 Frigidaire Sump Cover Assembly and Filter
13154246801 Frigidaire Dishwasher Primary Gasket
145304502919 Frigidaire Dishwasher Sump Assembly
16154246502 Frigidaire Dishwasher Bracket
24A5304506740 Frigidaire Dishwasher Spray Arm Center Assembly
245304517203 Frigidaire Dishwasher Lower Wash Arm Assembly
24B5304506516 Frigidaire Dishwasher Upper Spray Arm
325304507087 Frigidaire Dishwasher Tube
32A154406401 Frigidaire Delivery Tube Gasket
555304534830 Frigidaire Dishwasher Bracket
58154246402 Frigidaire Dishwasher P-1 BALL
59154246901 Frigidaire Dishwasher Rear O-Ring for 154473001 Motor
59A154247001 Frigidaire Dishwasher Pump Gasket Seal for the Motor and Front
60A00126401 Frigidaire Dishwasher Drain Pump Assembly
615304506517 Frigidaire Dishwasher Grommet Assembly
625304518968 Frigidaire Lower Spray Arm Support
635304506533 Frigidaire Dishwasher Filter Base
655304506525 Frigidaire Dishwasher Filter Assembly
66154252701 Frigidaire Dishwasher Filter Trap Assembly
70154844301 Frigidaire Dishwasher Motor Kit
71154762601 Frigidaire Dishwasher Turbidity Sensor