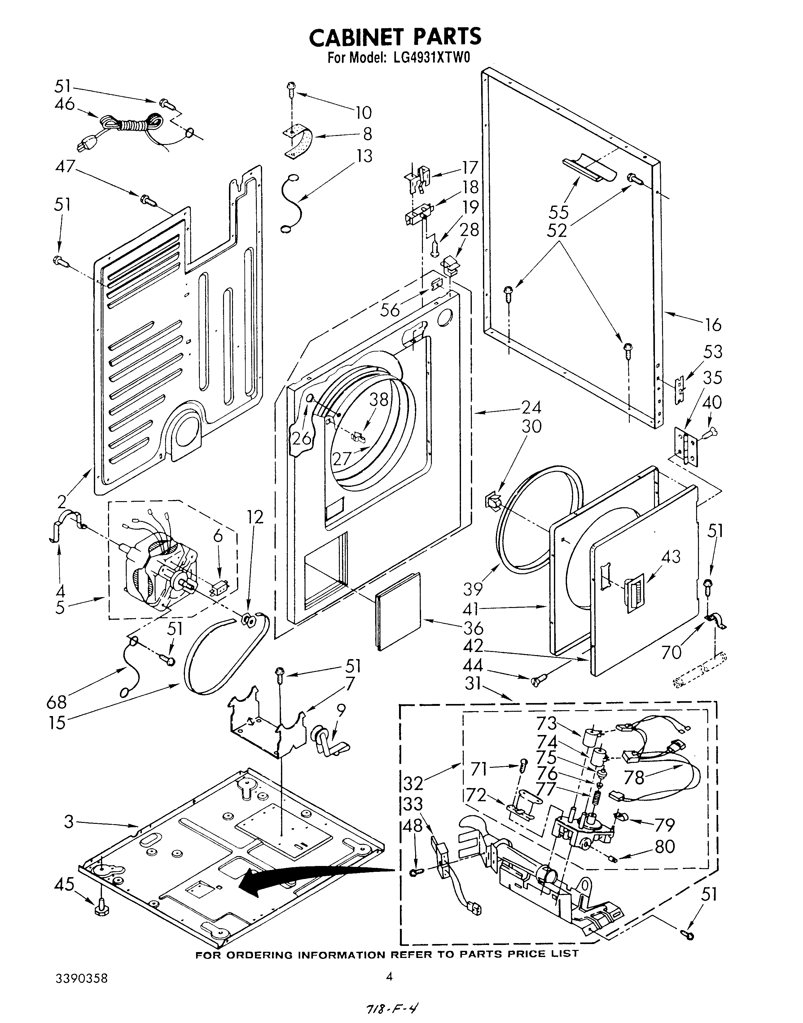
| 2 | Panel, Rear |
| 3 | WP348726 Whirlpool Base Assembly |
| 4 | WP660658 Whirlpool Clamp |
| 6 | 279827 Whirlpool Dryer Drive Motor |
| 7 | 696541 Whirlpool Base |
| 8 | Strap, Ground |
| 9 | WP691366 Whirlpool Dryer Idler Pulley Assembly |
| 10 | Screw, Ground (10-24 x 1) |
| 12 | W10837625 Whirlpool Dryer Motor Pulley |
| 13 | WPL 364089 |
| 15 | 3394652 Whirlpool Drum Belt |
| 16 | Panel, Side (2) (Almond) |
| 16 | Panel, Side (Golden Harvest) |
| 16 | Panel, Side (2) (White) |
| 16 | Panel, Side (2) (Toast) |
| 16 | Panel, Side (2) (Platinum) |
| 17 | WP691581 Whirlpool Actuator |
| 18 | W10820036 Whirlpool Door Switch Kit |
| 19 | WP98129 Whirlpool Screw |
| 24 | Front Panel (Platinum (When Ordering Any Of The Above Panels, Key No. 31, Page 6, Must Also Be Order |
| 24 | Front Panel (Toast) |
| 24 | Front Panel (Golden Harvest) |
| 24 | Front Panel (Almond) |
| 24 | Front Panel (White) |
| 26 | 279220 Whirlpool Clip |
| 27 | 279264 Whirlpool Bearing and Seal Kit |
| 28 | WP345670 Whirlpool Lock |
| 30 | WP3389441 Whirlpool Door Catch |
| 31 | Burner, Complete (Refer to Page 7 For Further Burner Breakdown) |
| 32 | 279923 Whirlpool Gas Valve |
| 33 | 279311 Whirlpool Dryer Flat Igniter with Bracket |
| 35 | WP348023 Whirlpool Hinge |
| 36 | Door, Access (Almond) |
| 36 | Door, Access (Golden Harvest) |
| 36 | Door, Access (Toast) |
| 36 | Door, Access (White) |
| 36 | Door, Access (Platinum) |
| 38 | 279570 Whirlpool Dryer Door Latch Kit |
| 39 | W11613302 Whirlpool Door Seal |
| 41 | 280077 Whirlpool Door |
| 42 | Door, Front (Toast) |
| 42 | WPL 689319 |
| 42 | Door, Front (Platinum) |
| 42 | WP348205 Whirlpool Door |
| 42 | Door, Front (Almond) |
| 43 | Handle, Door (Platinum) |
| 43 | WP686711 Whirlpool Door Handle |
| 43 | Handle, Door (Golden Harvest) |
| 43 | Handle, Door (Almond) |
| 44 | WP694091 Whirlpool Screw |
| 45 | WP233550 Whirlpool Leveling Feet |
| 46 | W11222083 Whirlpool Power Cord |
| 48 | WPW10366705 Whirlpool Screw |
| 51 | SCREW |
| 52 | WP489069 Whirlpool Compactor Screw |
| 53 | W10854425 Whirlpool Dryer Front Panel Bottom Mounting Clip |
| 55 | WPL 686767 |
| 56 | WP98234 Whirlpool Nut |
| 68 | Wire, Ground |
| 70 | 341029 Whirlpool Clamp |
| 71 | 694421 Whirlpool Screw Assembly |
| 72 | 694538 Whirlpool Bracket |
| 74 | 279834 Whirlpool Dryer Gas Valve Solenoid Coil Kit |
| 75 | WP694424 Whirlpool Limiter |
| 76 | WP694423 Whirlpool Regulator |
| 77 | WP694422 Whirlpool Spring |
| 78 | WP3401850 Whirlpool Wire Harness |
| 79 | WPL 694510 |
| 80 | W10295523 Whirlpool Plug |