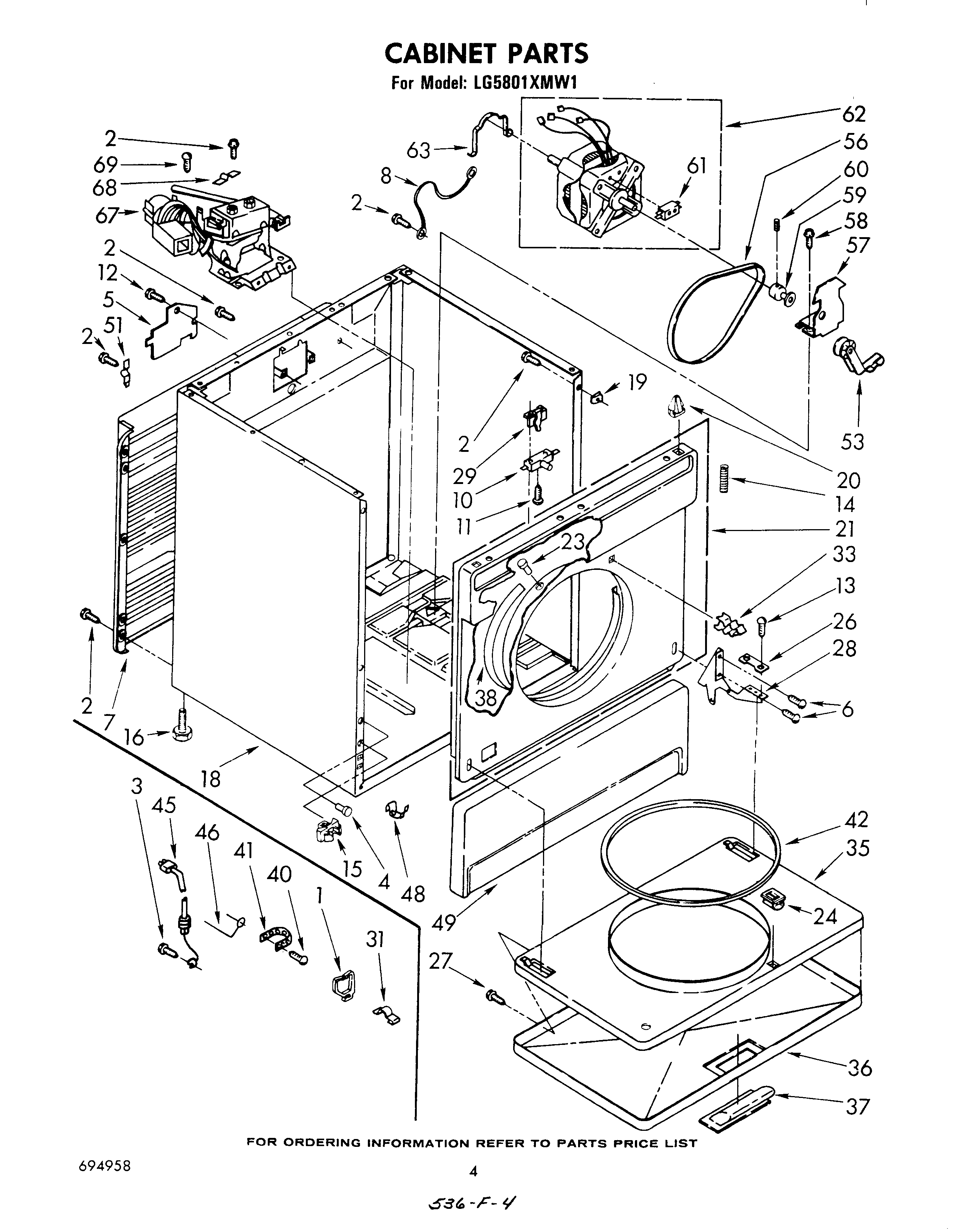
LG5801XMW1 03 – CABINET

LG5801XMW1 03 – CABINET

Products

PositionProduct
1Clip, Harness (Rear Bulkhead Area)
2SCREW
4238614 Whirlpool Bumper Hinge
5W11736322 Whirlpool Cover Assembly
6Screw, 10-32 x 1/2
7Panel, Rear
8Wire, Ground (Motor)
10W10820036 Whirlpool Door Switch Kit
11WP98129 Whirlpool Screw
13WP308685 Whirlpool Microwave Screw
14Spring, Door (2)
15Clip, Toe Panel
1649621 Whirlpool Leveling Feet
18Cabinet (Platinum)
18Cabinet (Toast)
18Cabinet (White)
18Cabinet (Golden Harvest)
18Cabinet (Almond)
19WP98234 Whirlpool Nut
20WP18776 Whirlpool Lock
21Front Panel Assembly (Platinum)
21Front Panel Assembly (White)
21Front Panel Assembly (New Gold)
21Front Panel Assembly (Toast)
21Front Panel Assembly (Almond)
23279220 Whirlpool Clip
24279570 Whirlpool Dryer Door Latch Kit
26W11252547 Whirlpool Clip Assembly
27WP694091 Whirlpool Screw
28Hinge, L.H.
28Hinge, R.H.
29WP691581 Whirlpool Actuator
318528351 Whirlpool Clip
35Door, Panel (Golden Harvest)
35Door, Panel (Almond)
35Door, Panel (White)
35Door, Rear (Toast)
35Door, Rear (Platinum)
36Door, Front (Golden Harvest)
36Door, Front (Toast)
36Door, Front (White)
36Door, Front (Almond)
36Door, Front
37WPL 695016
37Handle (Almond)
37Handle (Golden Harvest)
37WP348721 Whirlpool Handle
37WPL 695017
38279264 Whirlpool Bearing and Seal Kit
40Screw, Ground (10-24 x 1)
41Strap, Ground
42WP3390733 Whirlpool Door Seal Assembly
45W11222083 Whirlpool Power Cord
46WPL 364089
48WP297092 Whirlpool Clip
49WPL 694999
49WPL 695000
49Panel, Toe (Golden Harvest)
49Panel, Toe (Almond)
49Panel, Toe (White)
51WP8066217 Whirlpool Hinge
53WP691366 Whirlpool Dryer Idler Pulley Assembly
56341241 Whirlpool Dryer Drum Belt
57WP348780 Whirlpool Base
583400500 Whirlpool Screw
59W11233559 Whirlpool Motor Pulley
60SCREW, SET
61279827 Whirlpool Dryer Drive Motor
63WP660658 Whirlpool Clamp
67WPL 688639
67WPL 688637
68341029 Whirlpool Clamp
69WPL 343826