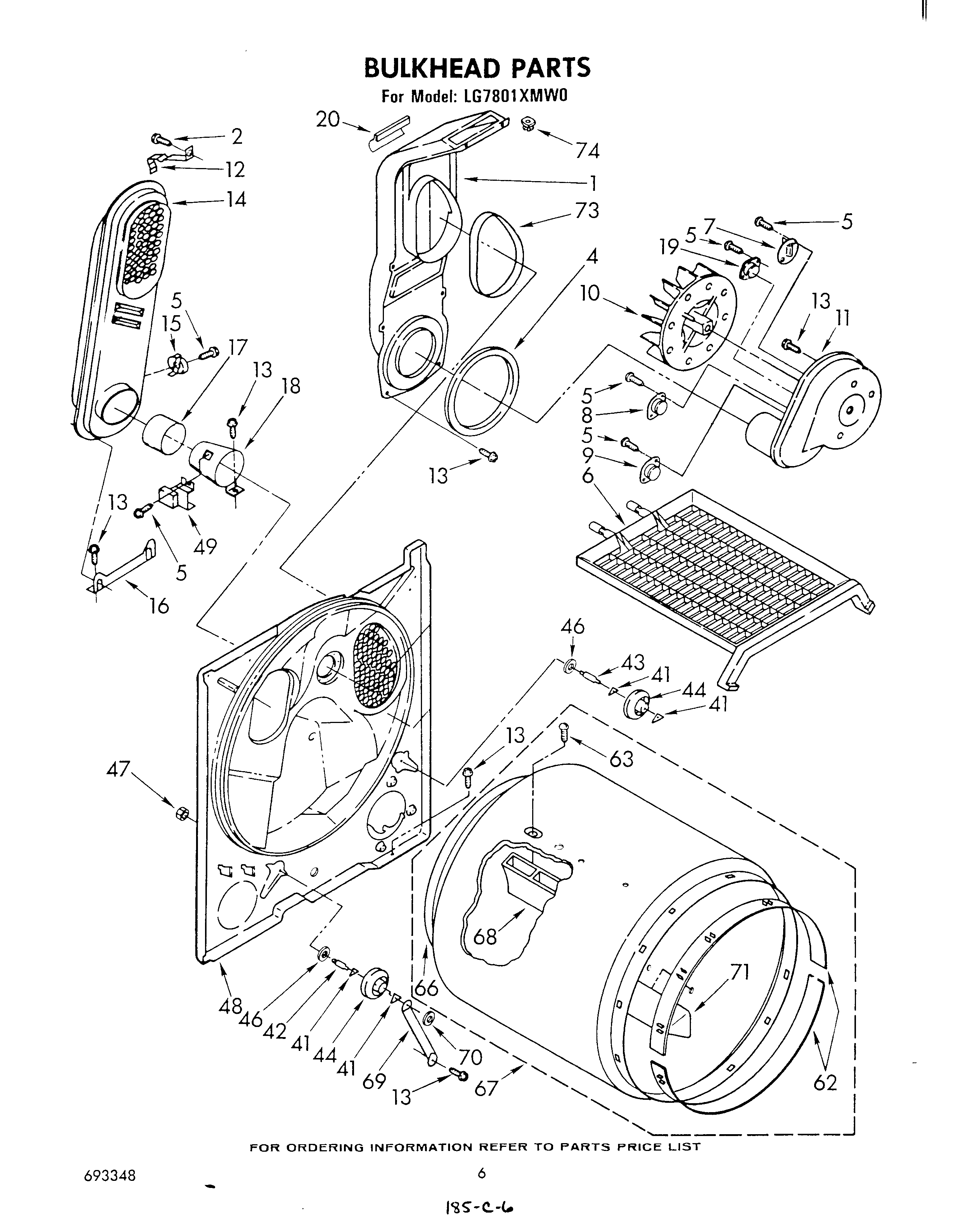
| 1 | W11117429 Whirlpool Chute Assembly |
| 4 | W11415783 Whirlpool Seal |
| 5 | WP90767 Whirlpool Screw |
| 6 | Rack, Dry |
| 7 | WP3390719 Whirlpool Dryer Thermal Fuse |
| 8 | WP694674 Whirlpool Cycling Thermostat |
| 10 | WP694089 Whirlpool Dryer Blower Wheel |
| 11 | Housing, Blower |
| 12 | 279771 Whirlpool Clip |
| 13 | SCREW |
| 15 | Thermostat, 205 F (96 C) |
| 15 | Thermostat SPST (205) |
| 15 | (Alt.) |
| 16 | Support, Heater Box |
| 18 | 279900 Whirlpool Box O/S1 |
| 20 | 686770 Whirlpool Support Bracket |
| 41 | WPW10512946 Whirlpool Dryer Tri-Ring Drum Roller |
| 42 | SHAFT SUPPORT ROLLER DRYER |
| 43 | SHAFT SUPPORT ROLLER DRYER |
| 44 | 349241T Whirlpool Dryer Drum Support Roller Kit |
| 46 | WP348197 Whirlpool Washer Assembly |
| 47 | WP358160 Whirlpool Nut |
| 48 | W11178667 Whirlpool Bulkhead Assembly |
| 49 | WP338906 Whirlpool Dryer Gas Sensor |
| 62 | 279441 Whirlpool Front Bearing Ring |
| 63 | Screw, 11-16 x 7/8 |
| 66 | 279408 Whirlpool Dryer Rear Drum Seal |
| 67 | Drum Assembly |
| 68 | BAFFLE-DRM |
| 69 | W11684613 Whirlpool Bracket |
| 70 | WP90296 Whirlpool Clip |
| 71 | WP3403636 Whirlpool Drum Baffle |
| 73 | SEAL |
| 74 | 98460 Whirlpool Nut |