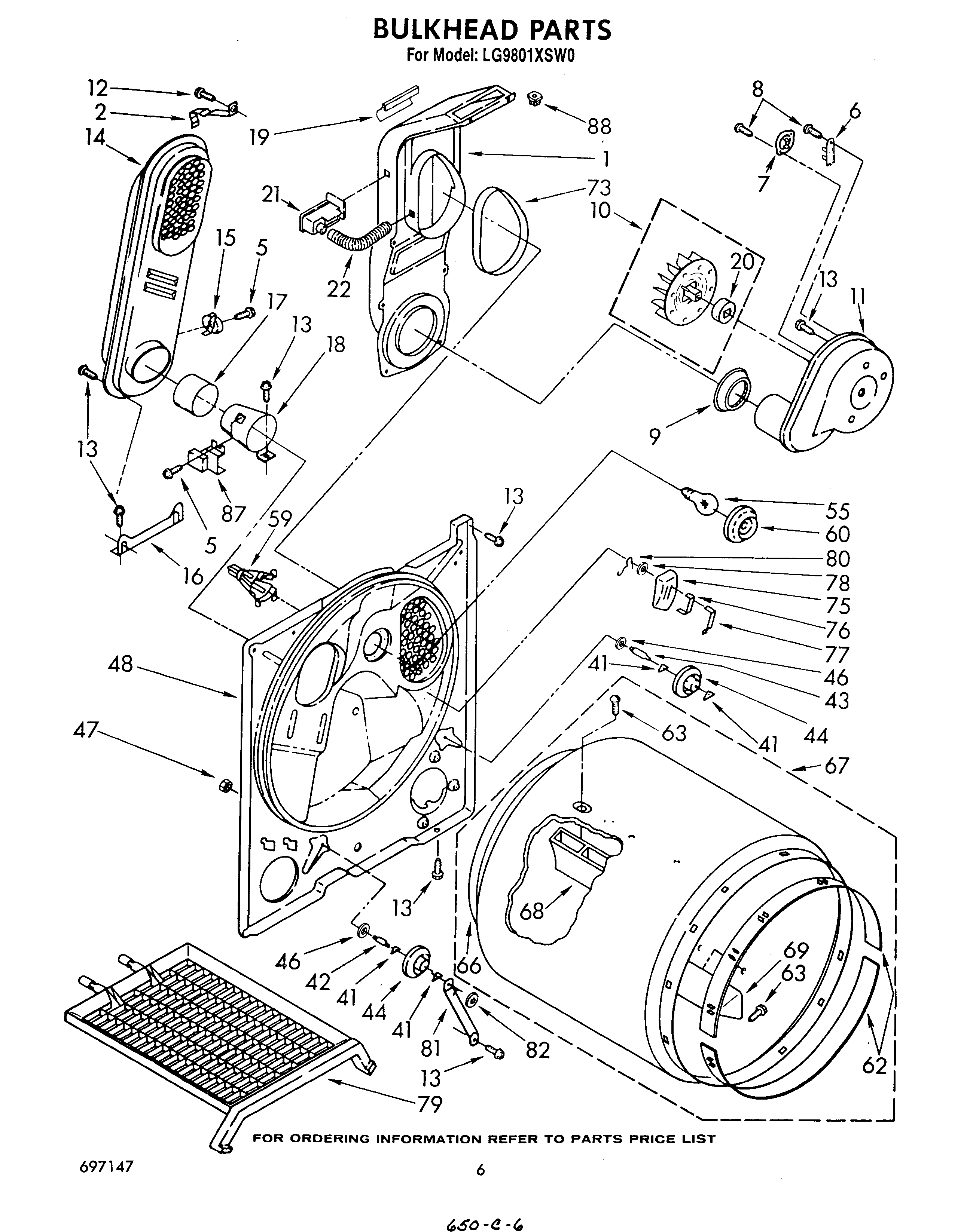
| 1 | Lint Chute Assembly |
| 5 | WP3390631 Whirlpool Screw |
| 6 | WP3392519 Whirlpool Dryer Thermal Fuse |
| 7 | WP8577274 Whirlpool Dryer Thermistor |
| 8 | WP965173 Whirlpool Dishwasher Screw |
| 9 | W11233063 Whirlpool Shield Assembly |
| 10 | WP694089 Whirlpool Dryer Blower Wheel |
| 11 | Housing, Blower |
| 12 | 279771 Whirlpool Clip |
| 13 | SCREW |
| 15 | Thermostat, 205 F (96 C) |
| 15 | (Alt.) |
| 15 | Thermostat SPST (205) |
| 16 | Support, Heater Box |
| 18 | 279900 Whirlpool Box O/S1 |
| 19 | 686770 Whirlpool Support Bracket |
| 20 | Seal, Blower |
| 21 | Alert, Lint |
| 22 | Hose, Differential |
| 41 | WPW10512946 Whirlpool Dryer Tri-Ring Drum Roller |
| 42 | SHAFT SUPPORT ROLLER DRYER |
| 43 | SHAFT SUPPORT ROLLER DRYER |
| 44 | 349241T Whirlpool Dryer Drum Support Roller Kit |
| 46 | WP348197 Whirlpool Washer Assembly |
| 47 | WP358160 Whirlpool Nut |
| 48 | BULKHEAD |
| 55 | RANGE ONLY 40W 120V APPL BULB |
| 59 | Socket Assembly |
| 60 | Lens, Drum Light |
| 62 | 279441 Whirlpool Front Bearing Ring |
| 63 | Screw, 11-16 x 7/8 |
| 66 | 279408 Whirlpool Dryer Rear Drum Seal |
| 67 | W10899578 Whirlpool Dryer Drum Assembly |
| 68 | BAFFLE-DRM |
| 69 | WP3403636 Whirlpool Drum Baffle |
| 73 | SEAL |
| 75 | SENSOR KIT |
| 76 | WP348859 Whirlpool Electrode Assembly |
| 77 | WP348860 Whirlpool Electrode |
| 78 | WP298877 Whirlpool Washer |
| 79 | Rack, Dry |
| 80 | WP342267 Whirlpool Clip |
| 81 | W11684613 Whirlpool Bracket |
| 82 | WP90296 Whirlpool Clip |
| 87 | WP338906 Whirlpool Dryer Gas Sensor |
| 88 | 98460 Whirlpool Nut |