LGC6848AW3 01 – TOP AND CONSOLE, LIT/OPTIONALadmin2025-04-26T11:17:58+00:00LGC6848AW3 01 – TOP AND CONSOLE, LIT/OPTIONAL
Products
| Position | Product |
|---|
| 350930 Whirlpool White Spray Paint |
| Instructions, Installation |
| Almond (Uncut) |
| Dryer |
| WP72107 Whirlpool Touchup |
| 799344 Whirlpool Refrigerator Paint |
| WPL LIT3401725 |
| 72017 Whirlpool Appliance Touch-Up Paint White |
| 350956 Whirlpool Spray Assembly |
| Guide, Use & Care |
| 350938 Whirlpool Spray Gun |
| WPL LIT3401086 |
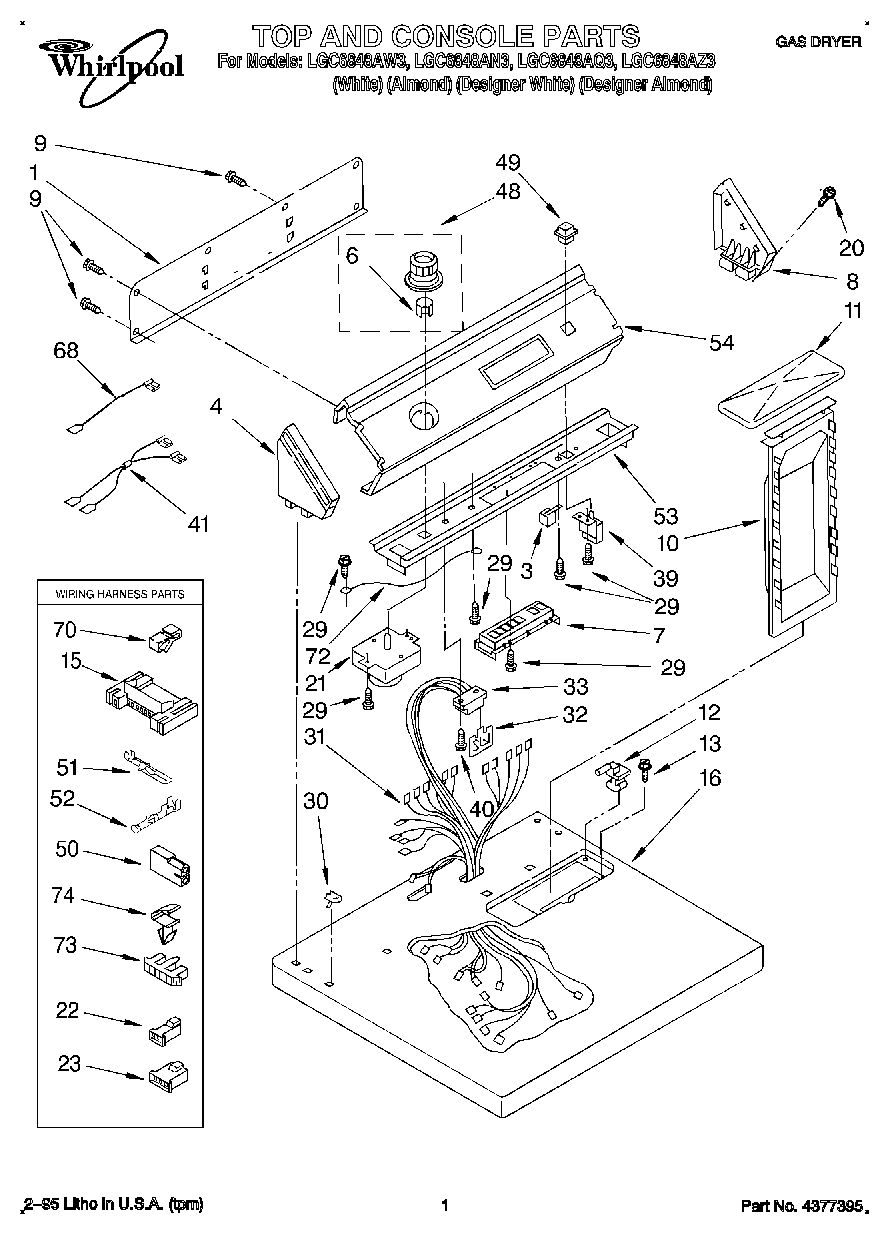
| 1 | Panel, Rear Console |
| 3 | WP694419 Whirlpool Buzzer Adjuster |
| 4 | Cap, End (L.H.) (Almond) |
| 4 | Cap, End (L.H.) (White) |
| 6 | WP688805 Whirlpool Spring Clip |
| 7 | Switch, Clean Touch (White) |
| 7 | Switch, Clean Touch (Almond) |
| 7 | Switch, Clean Touch |
| 8 | Cap, End (R.H.) (Almond) |
| 8 | Cap, End (R.H.) (White) |
| 9 | WP693995 Whirlpool Screw |
| 10 | WP349639 Whirlpool Lint Filter |
| 11 | Cover, Lint Screen (Almond) |
| 11 | Cover, Lint Screen (White) |
| 12 | WPW10044480 Whirlpool Hinge Assembly |
| 12 | WPW10044470 Whirlpool Hinge Assembly |
| 13 | W11693756 Whirlpool Screw Assembly |
| 15 | 3395683 Whirlpool Connector |
| 16 | Top (White) |
| 16 | Top (Almond) |
| 20 | WP388326 Whirlpool Screw |
| 21 | WP3397273 Whirlpool Timer |
| 22 | Connector, 2-Position (Gas Valve) |
| 23 | Connector, 3-Position (Gas Valve) |
| 29 | WPW10139210 Whirlpool Screw |
| 30 | WP357213 Whirlpool Hinge Stopper |
| 31 | Harness, Wiring |
| 32 | WPW10476828-includeCORE Whirlpool WPW10476828 Refrigerator Electronic Control Board + Core |
| 33 | 3391885 Whirlpool Connector |
| 39 | Relay, Push-To-Start |
| 40 | SCREW |
| 41 | Wire Jumper Assembly |
| 48 | WP3957752 Whirlpool Knob |
| 48 | 3957753 Whirlpool Knob |
| 49 | Button, Push To Start |
| 49 | LGT8858AQ1 |
| 49 | LGT8858AZ1 |
| 50 | Receptacle, Latching (2-Way) (Uses Terminal 94614) |
| 51 | WP596797 Whirlpool Terminal |
| 52 | WP94614 Whirlpool Terminal |
| 53 | Bracket, Control |
| 54 | WPL 3398508 |
| 54 | WPL 3398507 |
| 54 | WPL 3398509 |
| 54 | WPL 3398510 |
| 68 | Wire, Jumper (Blue) |
| 68 | Wire, Jumper (Violet) |
| 70 | Clip, Retainer |
| 72 | Wire, Ground |
| 73 | Connector, Timer |
| 74 | WP3394427 Whirlpool Clip |