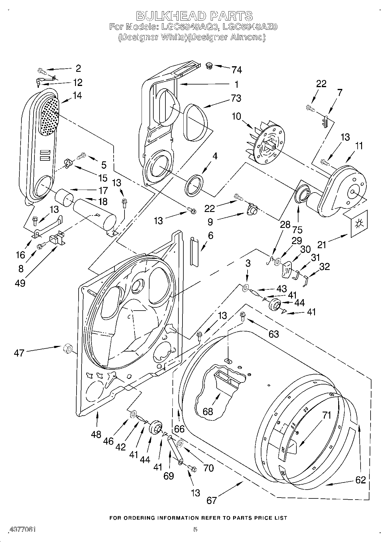
LGC6848AZ0 03 – SECTION