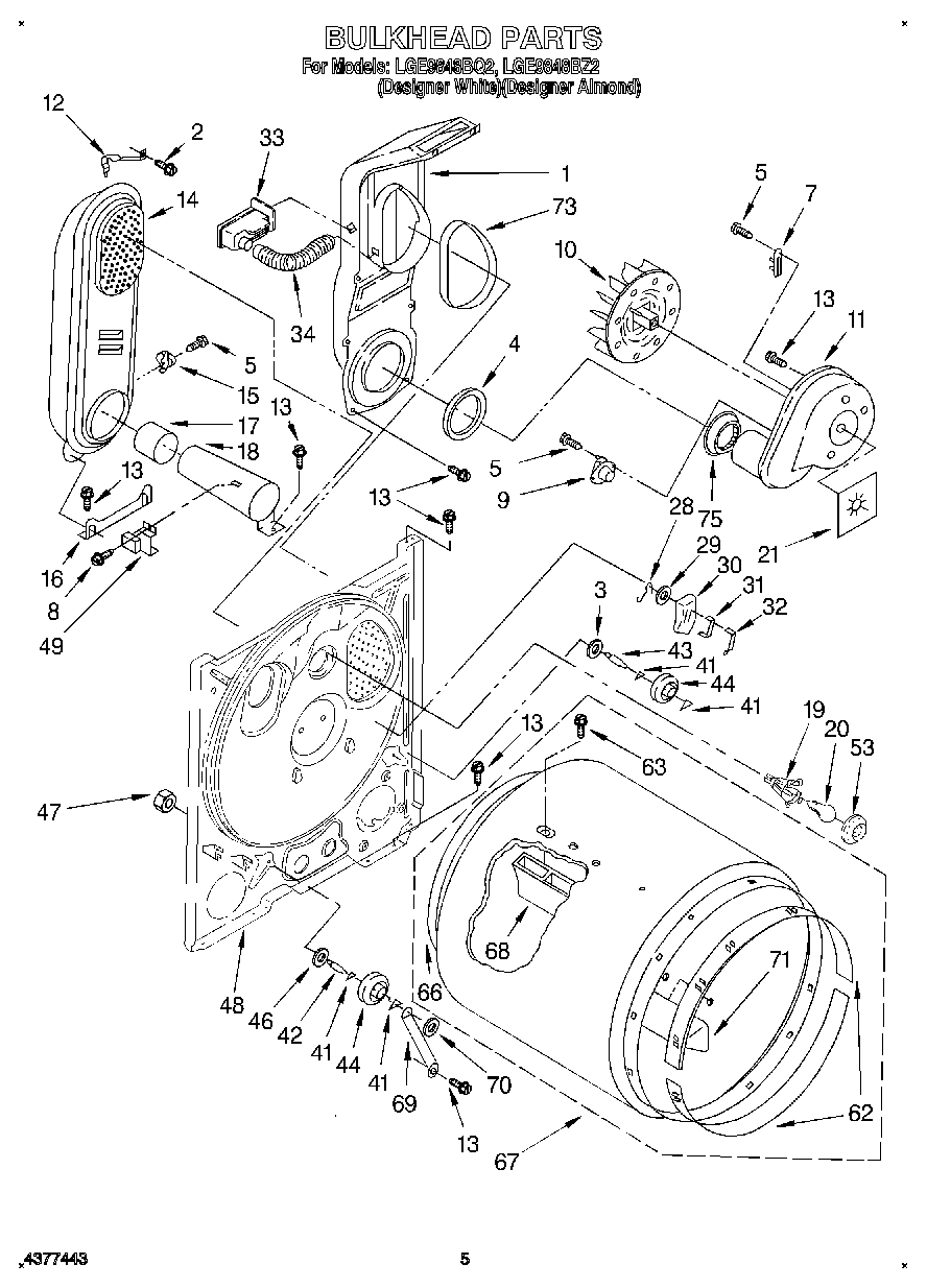
| 1 | Lint Chute Assembly |
| 2 | WP489463 Whirlpool Refrigerator Screw |
| 3 | WP3388703 Whirlpool Washer |
| 4 | W11415783 Whirlpool Seal |
| 5 | WP90767 Whirlpool Screw |
| 7 | WP3392519 Whirlpool Dryer Thermal Fuse |
| 8 | WP3390631 Whirlpool Screw |
| 9 | WP8577274 Whirlpool Dryer Thermistor |
| 10 | WP694089 Whirlpool Dryer Blower Wheel |
| 11 | Housing, Blower |
| 12 | 279771 Whirlpool Clip |
| 13 | SCREW |
| 15 | Thermostat, 205 F (96 C) |
| 16 | Support, Heater Box |
| 18 | 279900 Whirlpool Box O/S1 |
| 19 | Socket Assembly |
| 20 | RANGE ONLY 40W 120V APPL BULB |
| 21 | Seal, Blower |
| 28 | WP342267 Whirlpool Clip |
| 29 | WP298877 Whirlpool Washer |
| 30 | SENSOR KIT |
| 31 | WP348859 Whirlpool Electrode Assembly |
| 32 | WP348860 Whirlpool Electrode |
| 33 | Alert, Lint |
| 34 | Hose, Differential |
| 41 | WPW10512946 Whirlpool Dryer Tri-Ring Drum Roller |
| 42 | SHAFT SUPPORT ROLLER DRYER |
| 43 | SHAFT SUPPORT ROLLER DRYER |
| 44 | 349241T Whirlpool Dryer Drum Support Roller Kit |
| 46 | WP348197 Whirlpool Washer Assembly |
| 47 | WP3359452 Whirlpool Nut |
| 48 | Bulkhead |
| 49 | WP338906 Whirlpool Dryer Gas Sensor |
| 53 | Lens, Drum Light |
| 62 | 279441 Whirlpool Front Bearing Ring |
| 63 | WPW10109200 Whirlpool Screw |
| 66 | 279408 Whirlpool Dryer Rear Drum Seal |
| 67 | W10899578 Whirlpool Dryer Drum Assembly |
| 68 | BAFFLE-DRM |
| 69 | W11684613 Whirlpool Bracket |
| 70 | WP90296 Whirlpool Clip |
| 71 | WP3403636 Whirlpool Drum Baffle |
| 73 | SEAL |
| 75 | W11233063 Whirlpool Shield Assembly |