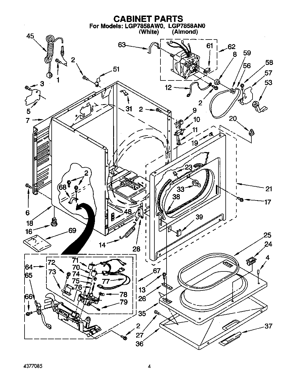
LGP7858AN0 02 – CABINET

LGP7858AN0 02 – CABINET

Products

PositionProduct
1W10850756 Whirlpool Screw
2SCREW
3WP693995 Whirlpool Screw
4238614 Whirlpool Bumper Hinge
5W11736322 Whirlpool Cover Assembly
6WP489069 Whirlpool Compactor Screw
7Panel, Rear
8WP3393657 Whirlpool Belt Retainer
9WP691581 Whirlpool Actuator
10W10820036 Whirlpool Door Switch Kit
11WP98129 Whirlpool Screw
12Wire, Ground (Motor)
13WP308685 Whirlpool Microwave Screw
14WPW10041960 Whirlpool Door Spring
1649621 Whirlpool Leveling Feet
17Screw, 10-32 x 1/2
18Cabinet (Almond)
18Cabinet (White)
19WP98234 Whirlpool Nut
20WP18776 Whirlpool Lock
21279740 Whirlpool Panel Primary with O/S2
21Panel, Front (Almond)
23279220 Whirlpool Clip
24279570 Whirlpool Dryer Door Latch Kit
25W10906683 Whirlpool Door Seal
26W11252547 Whirlpool Clip Assembly
27WP694091 Whirlpool Screw
28WP8066057 Whirlpool Door Hinge
28WP8066056 Whirlpool Door Hinge
318528351 Whirlpool Clip
35WP695737 Whirlpool Door
36Door, Front (Almond)
36WP3393549 Whirlpool Door Assembly
37WP348721 Whirlpool Handle
37Handle, Door (Almond)
38W11035878 Whirlpool Bearing and Seal
39Plug, Front Panel (Almond)
39Plug, Front Panel (White)
45W11222083 Whirlpool Power Cord
48W10854425 Whirlpool Dryer Front Panel Bottom Mounting Clip
51WP8066217 Whirlpool Hinge
53WP691366 Whirlpool Dryer Idler Pulley Assembly
56341241 Whirlpool Dryer Drum Belt
57WP348780 Whirlpool Base
583400500 Whirlpool Screw
59WP8066184 Whirlpool Dryer Motor Pulley
61279827 Whirlpool Dryer Drive Motor
63WP660658 Whirlpool Clamp
64279923 Whirlpool Gas Valve
65279311 Whirlpool Dryer Flat Igniter with Bracket
66WPW10366705 Whirlpool Screw
67Burner Assembly, 60 Hz. (Refer To Burner Assembly Parts Page For Further Breakdown)
68341029 Whirlpool Clamp
6949572A Whirlpool Dryer Propane Gas Conversion Kit
69Kit, Conversion Type 1 To Type 3 (MFD)
70279834 Whirlpool Dryer Gas Valve Solenoid Coil Kit
72694421 Whirlpool Screw Assembly
73694538 Whirlpool Bracket
74WP694424 Whirlpool Limiter
75WP694423 Whirlpool Regulator
76WP694422 Whirlpool Spring
77WP3401850 Whirlpool Wire Harness
78WPL 694510
79W10295523 Whirlpool Plug