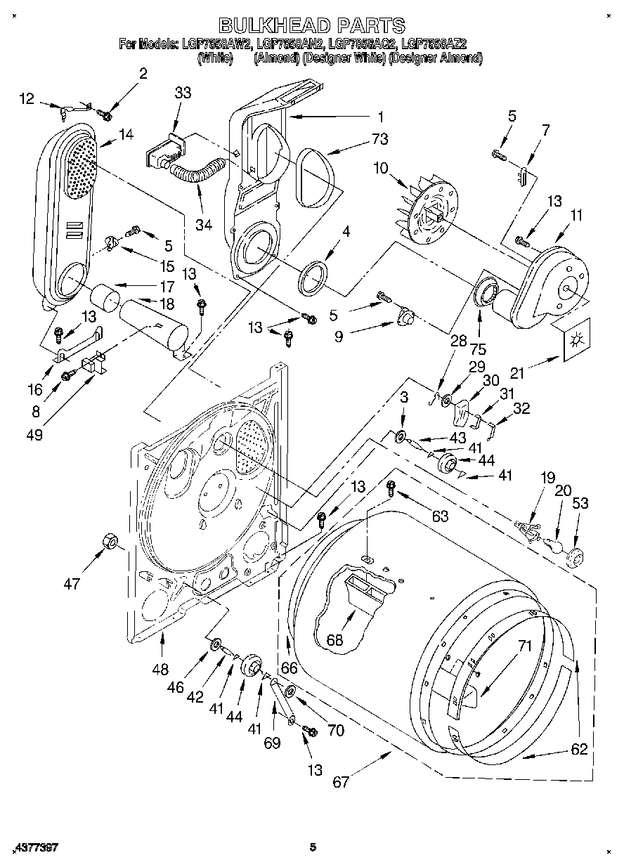
LGP7858AZ2 03 – BULKHEAD