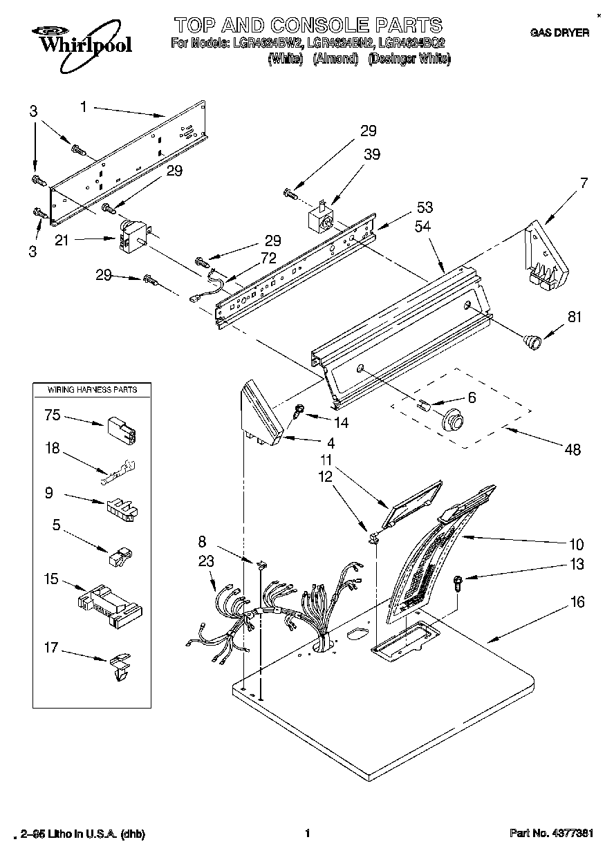
LGR4624BW2 01 – TOP AND CONSOLE, LIT/OPTIONAL