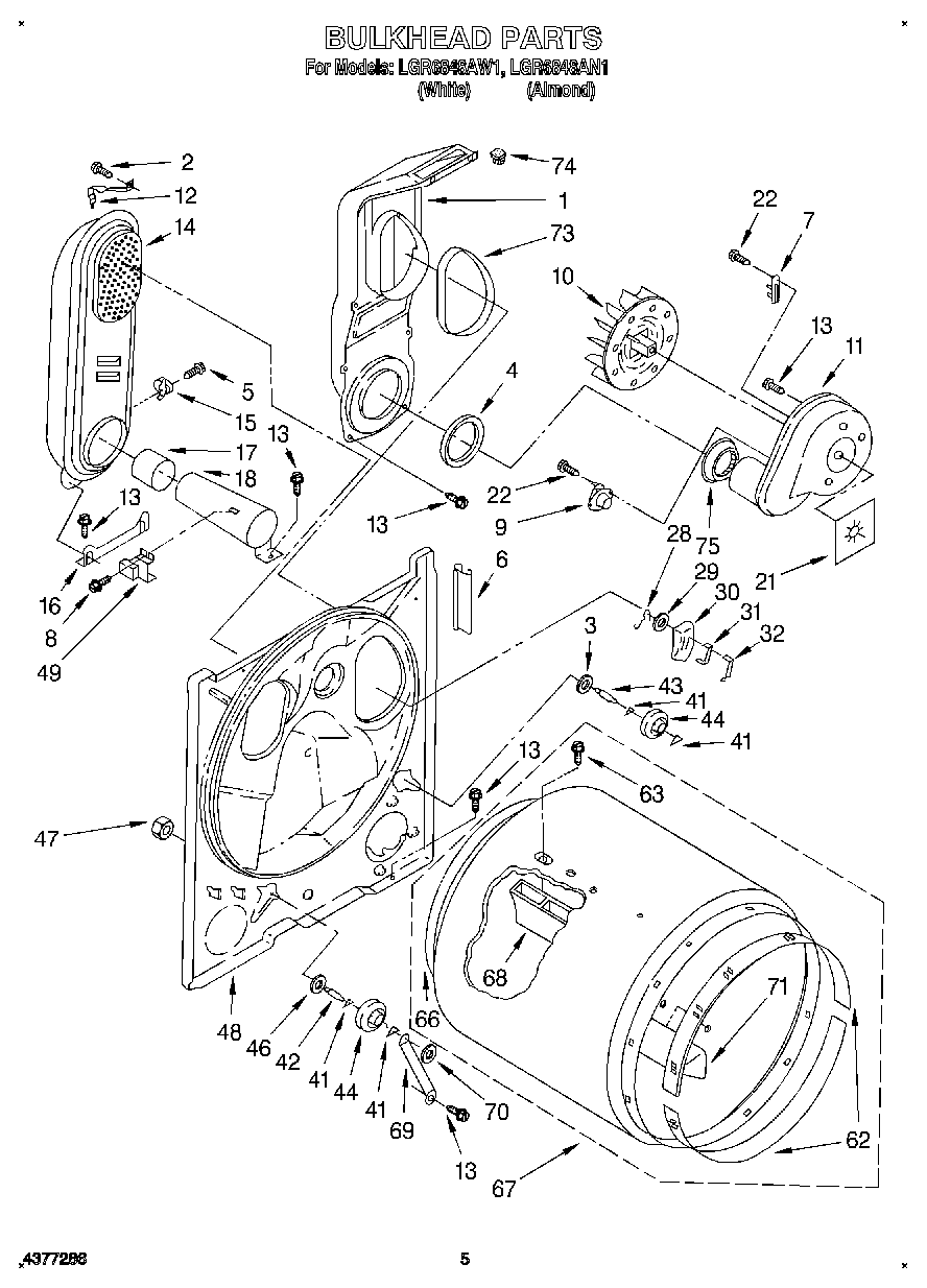
LGR6848AN1 03 – BULKHEAD