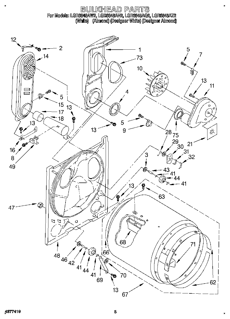
LGR6848AQ2 03 – BULKHEAD