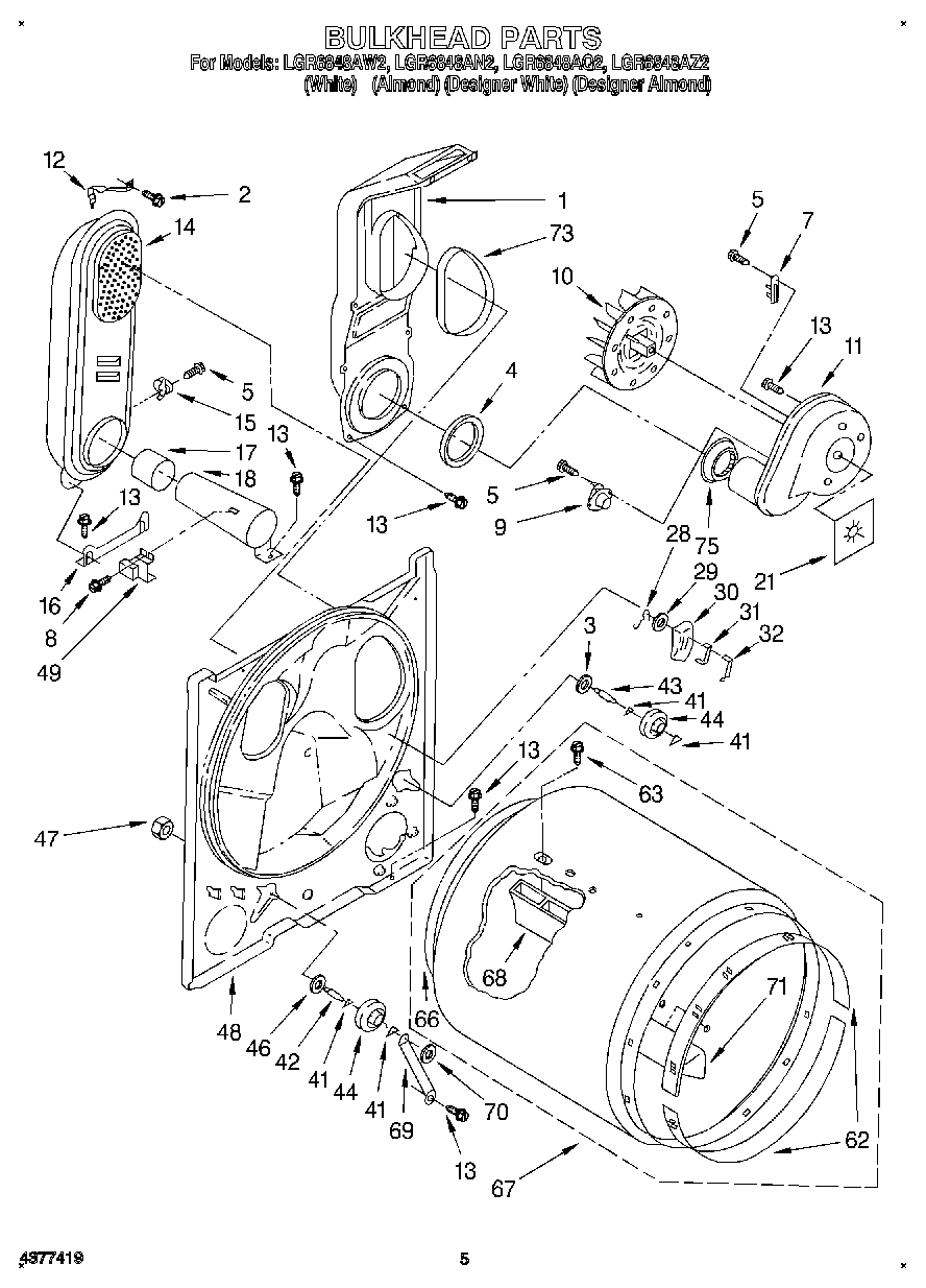
LGR6848AZ2 03 – BULKHEAD