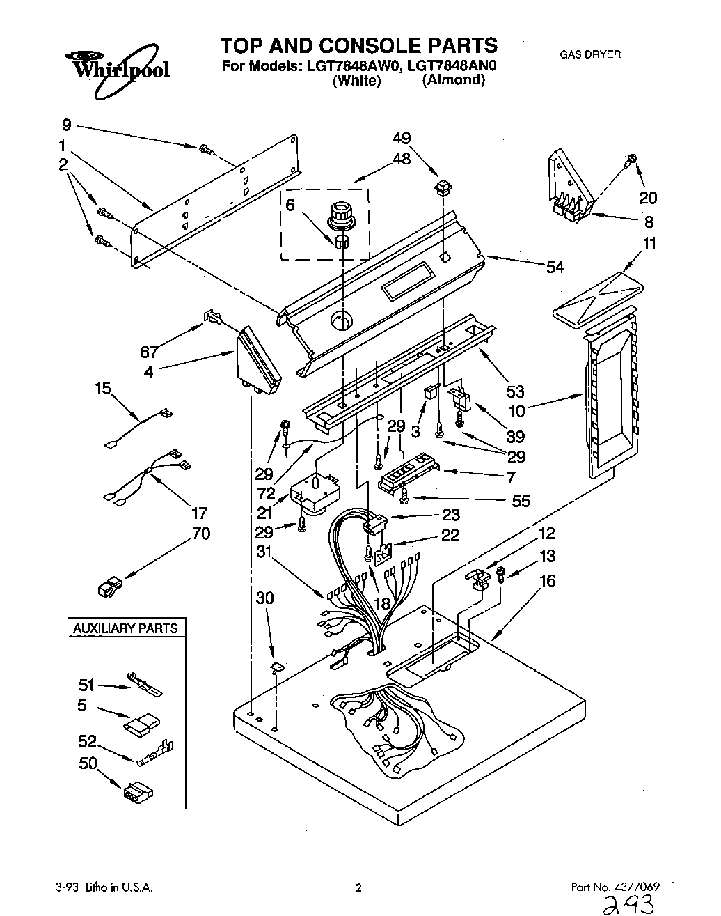
LGT7848AN0 01 – TOP AND CONSOLE, LIT/OPTIONAL

LGT7848AN0 01 – TOP AND CONSOLE, LIT/OPTIONAL