LGT7848AZ2 01 – TOP AND CONSOLE, LIT/OPTIONAL

LGT7848AZ2 01 – TOP AND CONSOLE, LIT/OPTIONAL

Products

PositionProduct
350930 Whirlpool White Spray Paint
Dryer
Instructions, Installation
Almond (Uncut)
Guide, Use & Care
WP72107 Whirlpool Touchup
799344 Whirlpool Refrigerator Paint
WPL LIT3401725
72017 Whirlpool Appliance Touch-Up Paint White
350956 Whirlpool Spray Assembly
350938 Whirlpool Spray Gun
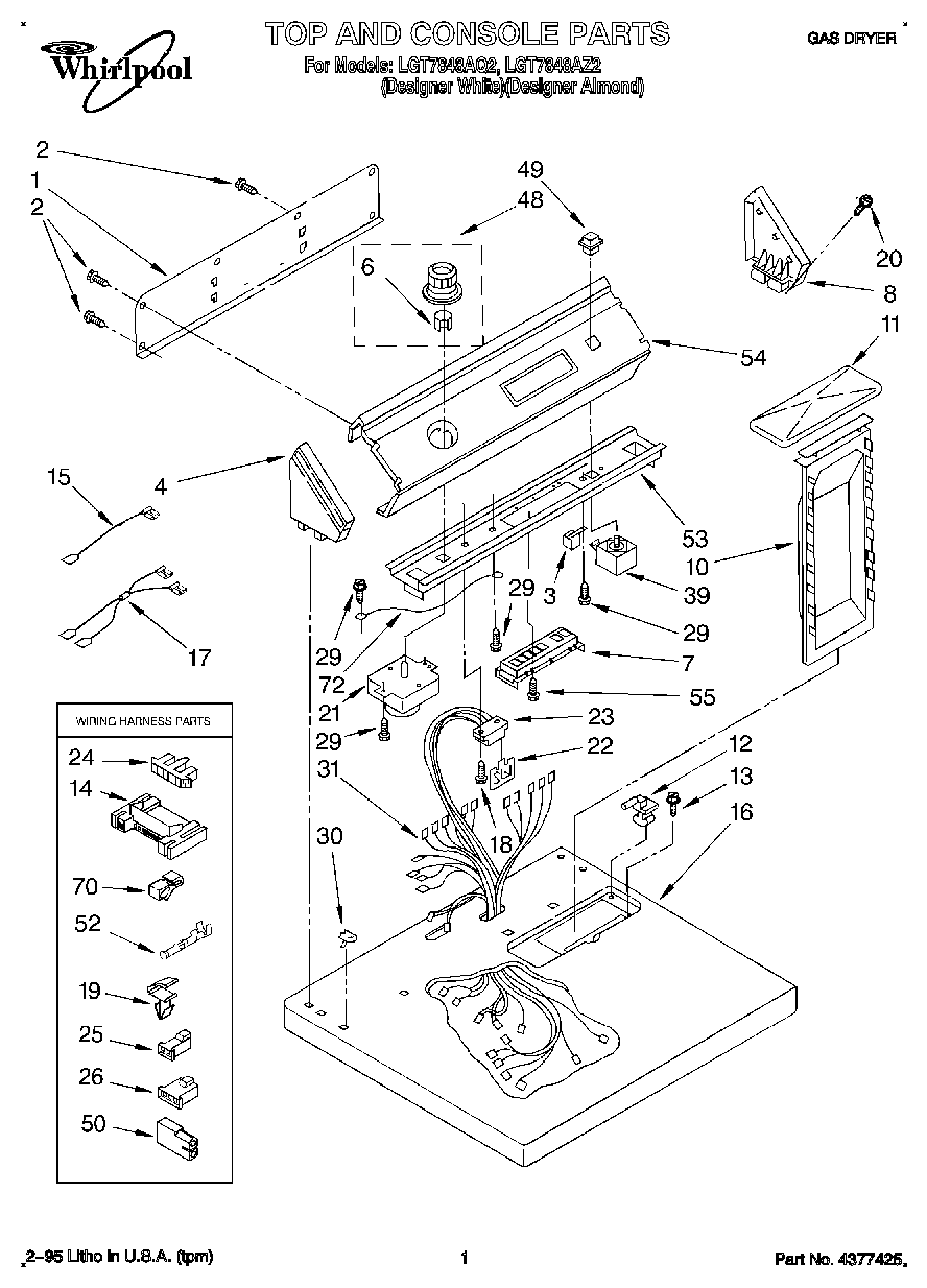
1Panel, Rear Console
2WP693995 Whirlpool Screw
3WP694419 Whirlpool Buzzer Adjuster
4Cap, End (L.H.) (White)
4Cap, End (L.H.) (Almond)
6WP688805 Whirlpool Spring Clip
7Switch, Clean Touch (Almond)
7Switch, Clean Touch (White)
8Cap, End (R.H.) (White)
8Cap, End (R.H.) (Almond)
10WP349639 Whirlpool Lint Filter
11Cover, Lint Screen (Almond)
11Cover, Lint Screen (White)
12WPW10044480 Whirlpool Hinge Assembly
12WPW10044470 Whirlpool Hinge Assembly
13W11693756 Whirlpool Screw Assembly
143395683 Whirlpool Connector
15Wire, Jumper (Blue)
15Wire, Jumper (Violet)
16Top (Almond)
16Top (White)
17Wire Jumper Assembly
18SCREW
19WP3394427 Whirlpool Clip
20WP388326 Whirlpool Screw
21WP3397273 Whirlpool Timer
22WPW10476828-includeCORE Whirlpool WPW10476828 Refrigerator Electronic Control Board + Core
233391885 Whirlpool Connector
24Connector, Timer
25Connector, 2-Position (Gas Valve)
26Connector, 3-Position (Gas Valve)
30WP357213 Whirlpool Hinge Stopper
31Harness, Wiring
39Relay, Push-To-Start
48WP3957752 Whirlpool Knob
483957753 Whirlpool Knob
49LGT8858AZ1
49LGT8858AQ1
50Receptacle, Latching (2-Way) (Uses Terminal 94614)
52WP94614 Whirlpool Terminal
53Bracket, Control
54Panel, Control (White)
54Panel, Control (Almond)
55WPW10139210 Whirlpool Screw
70Clip, Retainer
72Wire, Ground