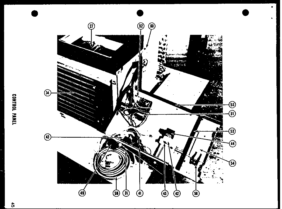
LKG-471 01 – CONTROL PANEL
Products
| Position | Product |
|---|---|
| 31 | MAY M0102702 |
| 31 | MAY C5240602 |
| 34 | MAY D5397002 |
| 34 | MAY D5350301 |
| 41 | MAY B5131601 |
| 42 | MAY C5271801 |
| 44 | MAY B5132501 |
| 51 | MAY C5825020 |
| 52 | MAY C5825010 |
| 53 | MAY A3030302 |
| 54 | MAY B5107602 |
| 54 | MAY B5132601 |
| 54 | MAY B5132901 |