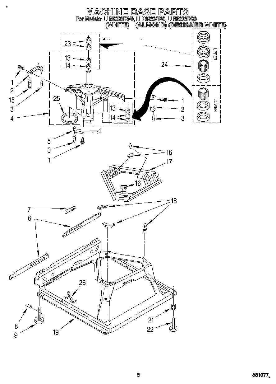
LLN8233BN0 06 – MACHINE BASE