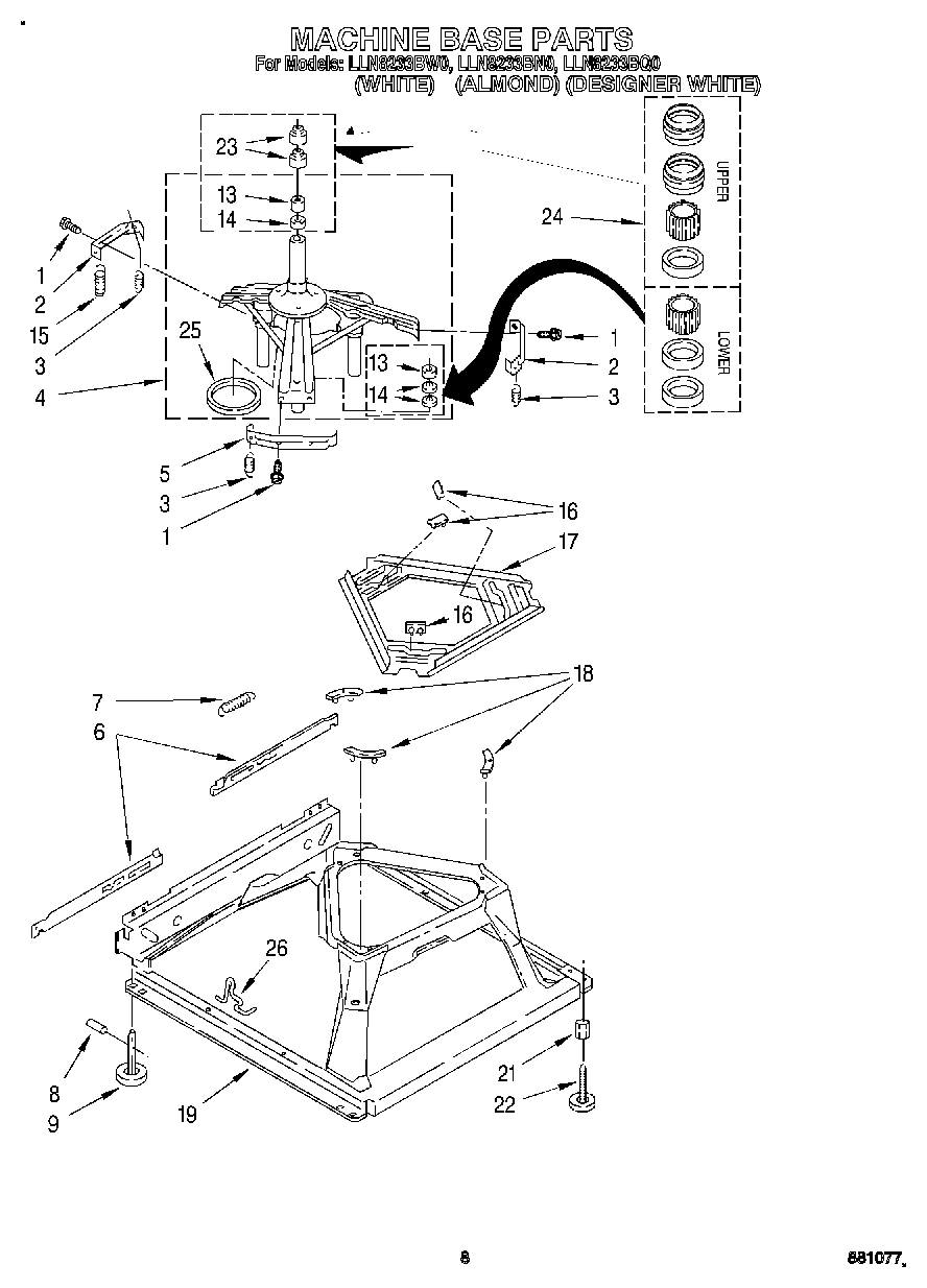
LLN8233BQ0 06 – MACHINE BASE