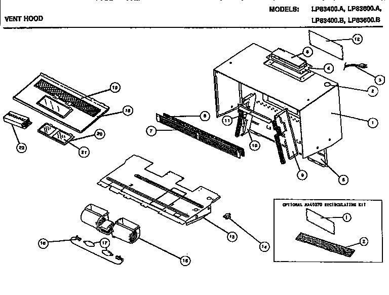
LP83400.B 02 – VENT HOODadmin2025-04-26T10:24:54+00:00LP83400.B 02 – VENT HOOD ProductsPositionProductNIMAY M94D586NIMAY M13D421MAY M80D1351MAY M1D9781MAY M2D6512MAY M2D402MAY M48D313MAY M26D513MAY M94D5924MAY M20D3675MAY M20D2426MAY M48D307MAY M1D9797MAY M7X188MAY M80D1349MAY M20D36510MAY M2D70310MAY M20D36611MAY M20D36812MAY M8D38513MAY M79D11114MAY M1D84814MAY M4D12915MAY M12D12316MAY M1D47516MAY M5D39717MAY M9D10718MAY M1D98118MAY M1D94918MAY M82D23019MAY M48D2520MAY M7D88420MAY M1D90021MAY M51D6922MAY M85D123