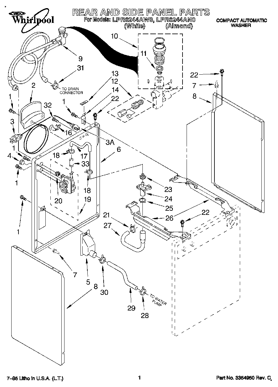
LPR6244AW0 01 – REAR AND SIDE PANEL, LIT/OPTIONAL

LPR6244AW0 01 – REAR AND SIDE PANEL, LIT/OPTIONAL