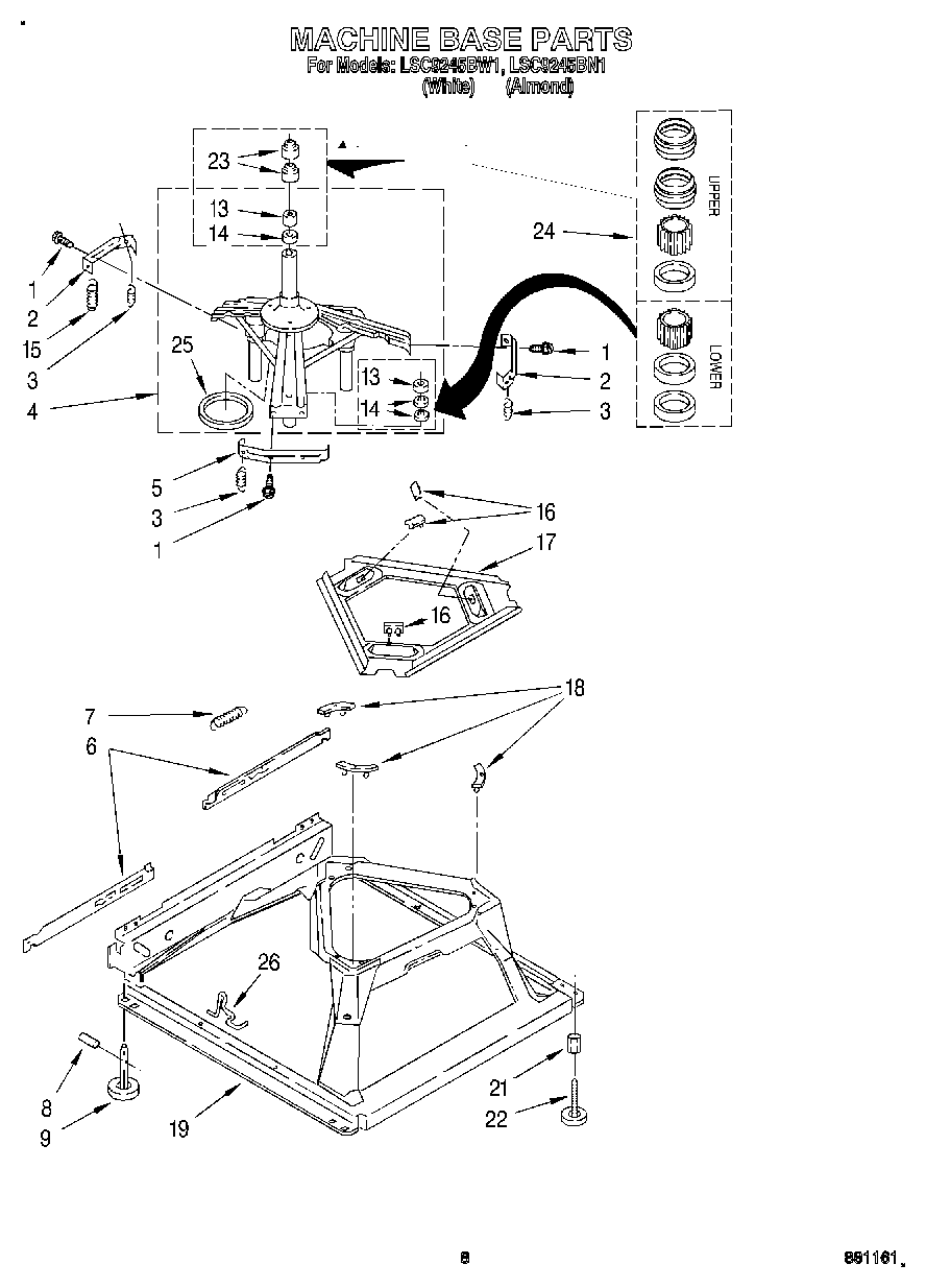
LSC9245BW1 06 – MACHINE BASE