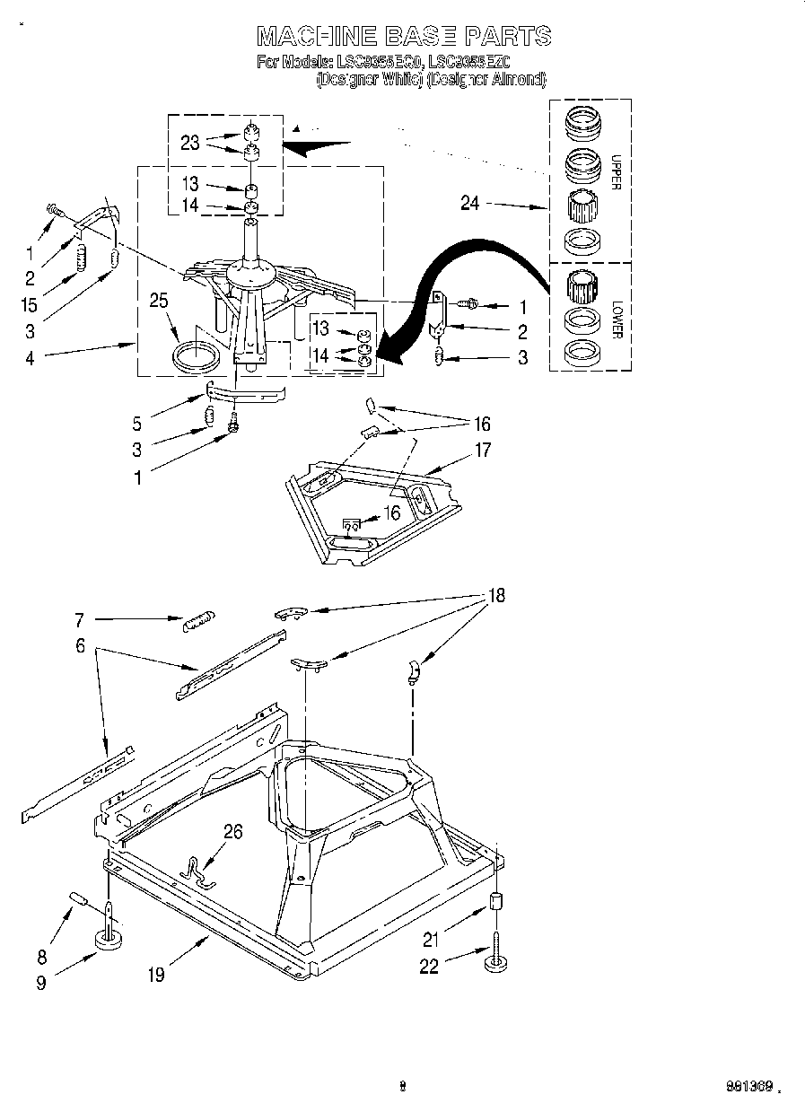
LSC9355EZ0 06 – MACHINE BASE