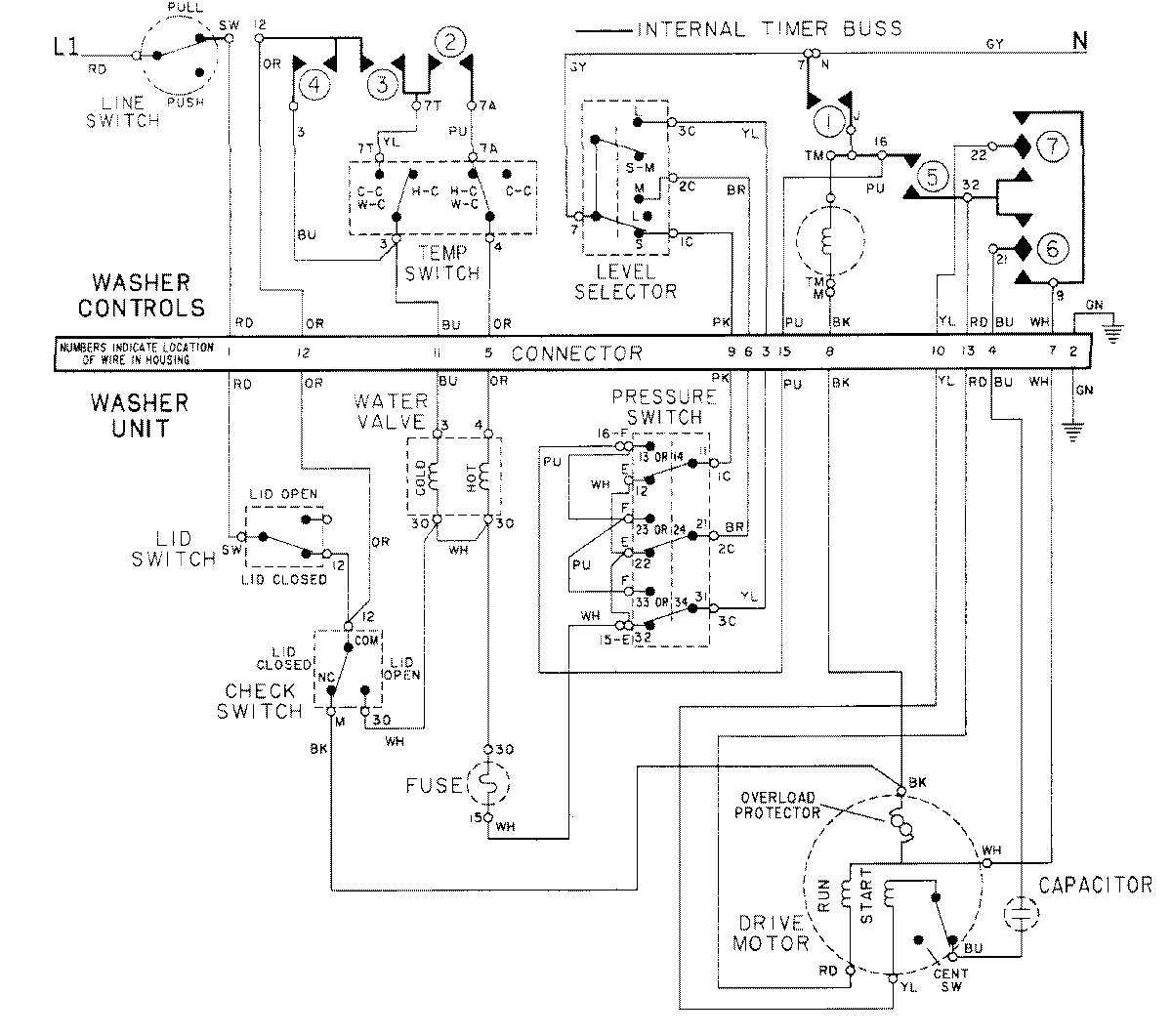
LSE2704W 15 – WIRING INFORMATION-WASHERadmin2025-04-26T10:22:52+00:00LSE2704W 15 – WIRING INFORMATION-WASHER ProductsPositionProductNIMAY 15001266