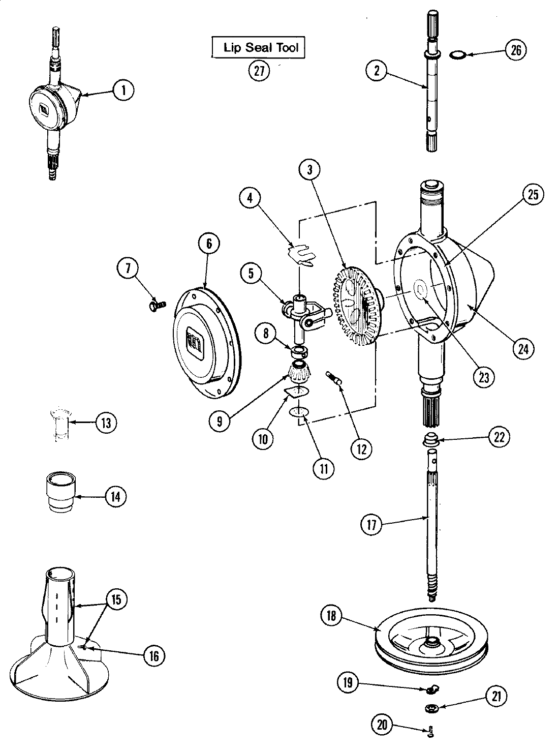
LSE7800AGE 14 – TRANSMISSIONadmin2025-04-26T10:23:18+00:00LSE7800AGE 14 – TRANSMISSION ProductsPositionProduct1MAY 2067072MAY 2071533MAY 2067134WP215581 Whirlpool Spring Assembly5MAY 2066856MAY 2066287MAY 2154178MAY 2154159WPW10221114 Whirlpool Pinion10WP215395 Whirlpool Clutch Plate11WP6-2114830 Whirlpool Washer Spare Part12WPY206629 Whirlpool Pin Collar13MAY 21573314MAY 21572115MAY 20753816MAY 20647817MAY 21541018MAY 21105919WP211089 Whirlpool Lug Stop20WP912618 Whirlpool Dishwasher Screw21WP22003555 Whirlpool Washer ST22MAY 20660223MAY 21539424MAY 20662425MAY Y05870026MAY 21069027MAY 038228