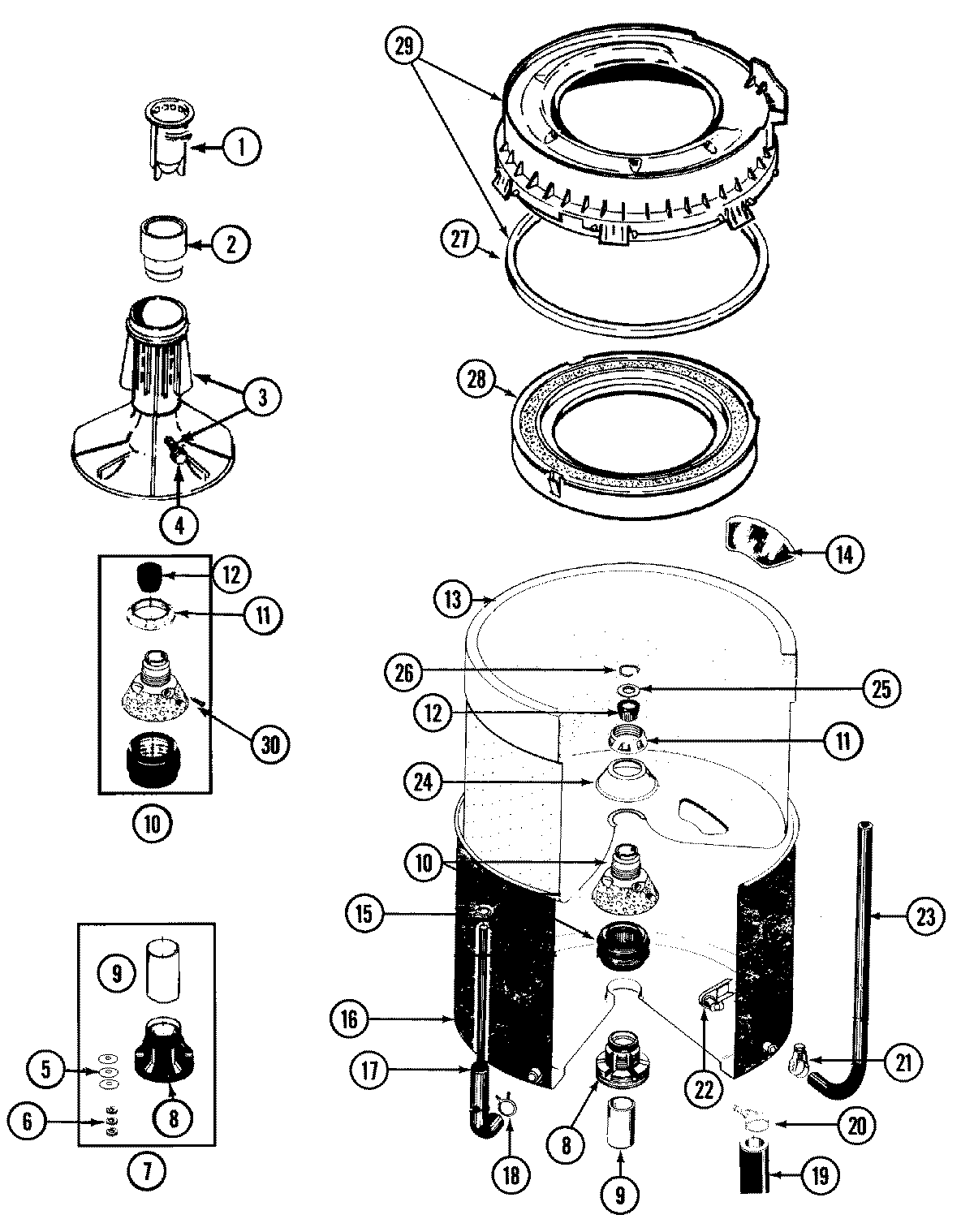
LSE7804ADL 14 – TUB