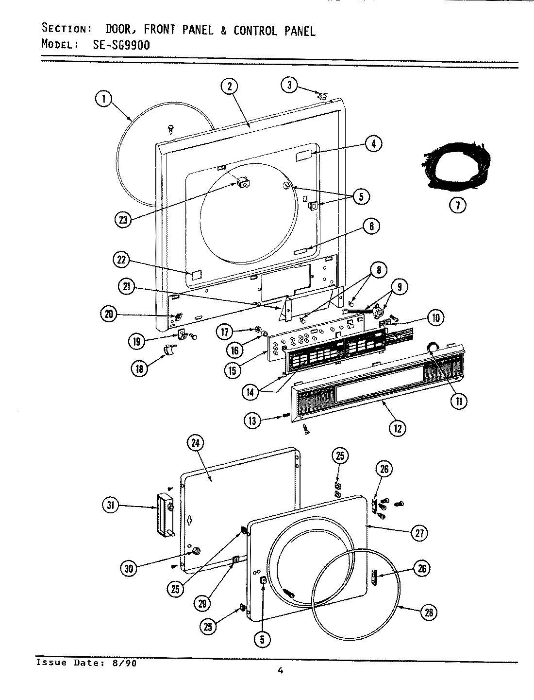
LSE9900 05 – DOOR, FRONT PANEL & CONTROL PANELadmin2025-04-26T10:28:26+00:00LSE9900 05 – DOOR, FRONT PANEL & CONTROL PANEL ProductsPositionProduct2MAY 314474L2WP1163283 Whirlpool Air Conditioner Screw3MAY Y3103764MAY Y3139275SCREW5306436 Whirlpool Washer Dryer Door Catch and Plastic Strike6MAY 3146097MAY Y3129537WIRE HARNESS, MAIN (SE9900)7CABLE STRAP-HARNESS TO BASE7MAY 3078548MAY 3145239SCREW, BUSHINGS9MAY 30607010MAY 91208611MAY 31456112MAY 30785112MAY 21093213MAY 31456014MAY Y30784915MAY 30606916MAY 91207517M0282005 Whirlpool Nut18MAY 31448219WP90767 Whirlpool Screw19MAY 31448120MAY 31474821MAY 31451722MAY 31448623W10169313 Whirlpool Door Switch Kit24MAY 314475L25CLIP, DOOR LINER26MAY Y30457727MAY 30667628MAY 31407729MAY Y31391130MAY 21487231MAY 314476