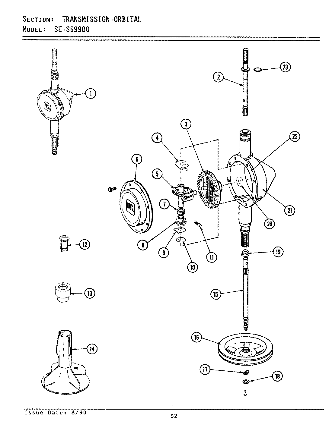
LSE9900 09 – TRANSMISSION-ORBITALadmin2025-04-26T10:26:59+00:00LSE9900 09 – TRANSMISSION-ORBITAL ProductsPositionProduct1MAY 2067072MAY 2071533MAY 2067134WP215581 Whirlpool Spring Assembly5MAY 2066856MAY 2154176MAY 2066287MAY 2154158WPW10221114 Whirlpool Pinion9WP215395 Whirlpool Clutch Plate10WP6-2114830 Whirlpool Washer Spare Part11WPY206629 Whirlpool Pin Collar12MAY 21573313MAY 21572114MAY 20753814MAY 20647815MAY 21541016MAY 21105917WP211089 Whirlpool Lug Stop17WP912618 Whirlpool Dishwasher Screw18WP22003555 Whirlpool Washer ST19MAY 20660220MAY 21539421MAY 20662422MAY Y05870023MAY 210690